J30J微矩形系列产品
微矩形电连接器
Section titled “微矩形电连接器”![]() | ![]() | ![]() |
|---|---|---|
| HJ30J系列 | J30J烧结 | HJ30J烧结 |
![]() | ![]() | ![]() |
| HSJ烧结 | J30J系列 | J63烧结 |
J30J微矩形电连接器:产品特点
Section titled “J30J微矩形电连接器:产品特点”
- 符合标准:本系列产品符合 GJB 2446 的性能要求(等效 MIL-DTL-83513)。
- 规格范围:本系列产品有 9、15、21、25、31、37、51、66、74、100 芯等规格。
- 导线要求:适用导线线芯截面积为 0.1~0.15mm²。
- 结构特点:本系列产品采用柔性插针,接点密度高。
- 执行规范:Q/BK 010-2015《J30J 系列微型矩形电连接器详细规范》。
J30J普通型系列
Section titled “J30J普通型系列”J30J普通型系列可分为压接、焊接、屏蔽电缆组件、直插印制板N 、直插印制板N-J、弯插印制板W、弯插印制板W-J 等系列。
- J30J压接系列:接触件与导线的连接方式为压接式。
- J30J焊接S系列:接触件与导线的连接方式为焊接式。
- J30J直插印制板N系列:接触件尾端与印制板的连接方式为直插式,网格尺寸为 2.54×2.54。
- J30J直插印制板N-J系列:接触件尾端与印制板的连接方式为直插式,网格尺寸(列×行)为 1.27×2.54。
- J30J弯插印制板W系列:接触件尾端与印制板的连接方式为弯插式,网格尺寸为 2.54×2.54。
- J30J弯插印制板W-J系列:接触件尾端与印制板的连接方式为弯插式,网格尺寸(列×行)为 1.27×2.54。
J30J改型产品
Section titled “J30J改型产品”- J30J双头电缆组件:双头线缆应用,两端紧锁附件可互换选配。
- J30J系列玻璃烧结及拓展型密封产品:满足气密要求严苛条件使用,泄漏率指标:1×10⁻³ Pa·cm³/s。
J30J微矩形电连接器:主要技术参数
Section titled “J30J微矩形电连接器:主要技术参数”- 环境温度:-55~+125℃
- 相对湿度:+40℃达 95%
- 低气压:4.5kPa 200V
- 振动:10Hz~2000Hz 196 m/s²
- 冲击:980m/s²
- 加速度:735 m/s²
- 额定电流:3A
- 额定电压:200V
- 接触电阻:≤10mΩ
- 绝缘电阻:≥5000MΩ
- 介质耐压:600V
J30J微矩形电连接器:型号命名示例
Section titled “J30J微矩形电连接器:型号命名示例”型号示例 J30JX-9TJNP-X-A3
| 编码位 | 含义描述 | 示例值 | 可选代号及说明 |
|---|---|---|---|
| 主称代号 | 系列名称 | J30J | J30J 金属外壳 |
| 系列主称 | 改型/灌胶 | X | M: 尾部灌胶;M1: 玻璃烧结;X: 未标注为普通型 |
| 分隔符 | - | - | 固定符号 |
| 接触件排列 | 芯数 | 9 | 9、15、21、25、31、37、51、66、74、100芯 |
| 头座类型 | 装针/装孔 | TJ | TJ: 插头装针;ZK: 插座装孔 |
| 接点尾端形式 | 引脚样式 | N | 不标: 压接;S: 焊接;N: 直式印制板;W: 弯式印制板 |
| 锁紧组件 | 锁紧方式 | P | 自由端: L、K、K1等;固定端: P、P0-P5、P7-P9、P11、P14、P23等 |
| 分隔符 | - | - | 固定符号 |
| 改型代号 | 印制板改型 | X | J: 印制板改型;X: 未标注为普通型 |
| 分隔符 | - | - | 固定符号 |
| 线夹及改型 | 线夹附件 | A3 | A1、A3、A、C、Q |

J30J产品选用须知
Section titled “J30J产品选用须知”选用J30J产品,应同时选择插头(座)锁紧组件,这样才能选出带有锁紧功能的插头或插座。而尾部线夹不是必选,可按需匹配。
此外,由于并非所有插头(座)合件、锁紧组件、线夹间都能任意组合搭配,选用J30J产品时,应知晓下列事项:
1、线夹合件选用应按“线夹合件族谱树”规定进行。此外,配装线夹的插头(座)不宜配用板前安装状态的锁紧组件(即安装螺钉适于板前安装的锁紧组件,如P、P8、P9等),因为线夹的存在会使安装板无法安装;配装了线夹的插头(座)若要配用板后安装状态的锁紧组件(即安装螺钉适于板后安装的锁紧组件,如P0、P3、P4、P11等),须将板的厚度按“安装板厚度+0.7”来考虑。
2、因焊接基本型插头(座)合件(J30J-TJS/ZKS)默认配装有A3型线夹合件,所以在其基础上扩展而来的J30J-TJS/ZKS-G插头(座)合件也要默认配装A3型线夹合件。
3、型号中含有大写字母“D”的插头(座)合件不能配装L、L1~L8、K、K1型等锁紧组件。
4、型号后端含有大写字母“D”的插头(座)合件如要配装用于板后安装状态的锁紧组件(即安装螺钉适于板后安装的锁紧组件,如P0 、P3、P4、P11等)时,必须将板的厚度按“安装板厚度+0 .6”来考虑。
5、若产品的多数孔位都需接外径较粗的导线(如AFRP-250或AFPF-1屏蔽导线等),则应考虑产品的灌胶腔及线夹合件(当有时)是否有足够的容纳空间,并且结论通常只有进行试装后才能得出。
6、若产品需压接线芯表面无镀覆导线、或线芯表面镀锡导线、或单芯导线,因压接这类导线的工艺较特别,所以订货合同应是非标准合同并应在合同中注明导线线芯状况。此类导线主要有AFR-200导线、类似82AO1111等以82A开头的导线、以及软圆铜线等。
7、产品中的空点处理,若无技术协议或此前未达成共识的,均用未压接导线的插孔或插针合件将空点堵上。
J30J双头电缆组件订货说明
Section titled “J30J双头电缆组件订货说明”J30J系列双头电缆由两个芯数相同的J30J产品组成,执行标准:Q/BK 20025-2015,两端产品的相同孔位通过AFR-250导线一一对应连接,电缆可外套防波套及锦纶丝套,其中电缆两端产品的类别、锁紧组件、电缆的长度,导线的规格、颜色、电缆是否外套防波套或锦纶丝套都可选配而成。电缆组件耐电压≥500V,绝缘电阻≥30 M 。如下示意图:
J30J-A (A型尾罩) 双头线缆组件:

J30J 双头线缆组件:

J30J双头线缆型号命名
Section titled “J30J双头线缆型号命名”| J30J | - | X | X | X | X | / | X | X | X | X | (AF | 0.12 | 白色 | L200 | X | X) |
| 1 | 2 | 3 | 4 | 5 | 6 | 7 | 8 | 9 | 10 | 11 | 12 | 13 | 14 | 15 |
- 系列主称代号: J30J
- 接触件数目:9、15、21、25、31、37、51、66、74、100、144
- 电连接器类型: TJ表示插头装针,ZK表示插座装孔(任选一个)
- 锁紧及安装组件类型: 普通锁紧组件,详见锁紧组件类型及使用说明(任选一个)
- 改型产品标识: 无标识—普通J30J压接产品,A—壳体加长有尾部线夹
- 接触件数目: 需与型号第2节数目保持一致
- 电连接器类型: TJ表示插头装针,ZK表示插座装孔(任选一个)
- 锁紧及安装组件类型: 普通锁紧组件,详见锁紧组件类型及使用说明 (任选一个)
- 改型产品标识: 无标识—普通J30J压接产品,A—壳体加长有尾部线夹(当电缆要求整体屏蔽时,型号第13节选择P,则防波套同尾夹与壳体导通)
- 导线牌号: AF—AF-250导线无标识-AFR-250导线
- 导线规格(截面积): 0.07、0.1、0.12、0.14、0.15(任选一种)
- 导线颜色: 白色、黑色、绿色、棕色、蓝色、红色、灰色、黄色等(任选一种)
- 导线长度: 长度由用户自定,L300表示两端壳体间导线长度300mm(不含壳体)
- 外套防波套: 无标识—电缆不套防波套,P—电缆外套防波套
- 外套锦纶丝套: 无标识—电缆不套锦纶丝套,F—电缆外套锦纶丝套(军绿色)
型号命名示例
a. 两端都为J30J-15TIL,导线为AFR-250-10.12-250V白色导线,线长200mm,不带防波套及锦纶丝套,则型号为:“J30J-15TJL/15TJL(0.12白色L200)”;
b. 一端为J30J-15TJL-A,一端为J30]-15ZKP-A,导线为AF-250-10.1-250V红色导线,线长500mm,带防波套不带锦纶丝套,则型号为:“J30J -15TIL-A/15ZKP-A(AF0.1红色L500P)”;
c. 一端为J30J-15ZKL7,一端为J30J-15ZKP4,导线为AFR-250-1*0.07-250V黑色导线,线长500mm,带锦纶丝套不带防波套,则型号为:“J30J -15ZKL7/15ZKP4(0.07黑色L500F)”;
一端为J30J-15JL-A,一端为J30J-15TJK-A,导线为AFR-250-1*0.15-250V蓝色导线,线长800mm,带防波套及锦纶丝套,则型号为:“J30J-15TJL-A/15TJK-A(0.15蓝色L800PF)”
J30JM1玻璃烧结产品订货说明
Section titled “J30JM1玻璃烧结产品订货说明”



J30JM1产品特点
Section titled “J30JM1产品特点”J30JM1玻璃烧结系列产品,为J30J系列主打型拓展应用产品,该系列产品均采用单芯玻璃管封接结构,使用玻璃介质填充密封,产品符合GJB2446-2-2013标准,可应用于密封要求严苛的系统环境内,尾部有接线缆式、印制板焊接式、及机箱板装密封式。
产品性能:符合GJB2446的性能要求
执行规范:Q/BK 010-2015《J30J 系列微型矩形电连接器详细规范》
J30JM1 型号示例
| J30J | M1 | - | X | X | X | X | - | X |
| 1 | 2 | 3 | 4 | 5 | 6 | 7 |
- 主称代号: J30JM1系列
- 绝缘体: M1-单孔玻璃
- 接触件数目: 5、9、13、15、21、25、31、37、51、74
- 电连接器类别: ZK-插座装插孔;TJ-插头装插针
- 接触端形式: S-尾端键合式;N-直插式;H-焊接式;Y-侧面键合式;无标识-压接式
- 锁紧及安装标识: 无标识-无锁紧
- 类型标识: Q2板前安装,Q83板后安装,Q6无安装耳
Q2板前安装,Q83板后安装,Q6无安装耳
Q2,Q83系列产品可以与J30J基本型插头对插使用,其余改型标识,与厂家沟通用特殊定制代码
J30JM1主要技术性能:
Section titled “J30JM1主要技术性能:”- 使用温度:-55~+125℃
- 振动:频率 10~2000Hz,加速度 196m/s²
- 冲击:加速度 735m/s²
- 额定电流:3A
- 耐电压:常温 300V AC
- 绝缘电阻:≥5000MΩ (500VDC)
- 接触电阻:≤20mΩ
- 机械寿命:500次
- 气密性指标:≤1×10⁻³ Pa·cm³/s (He)
J30J型谱(插头插合面)
Section titled “J30J型谱(插头插合面)”
J30J-9

J30J-15

J30J-21

J30J-25

J30J-31

J30J-37

J30J-51

J30J-66

J30J-74

J30J-100
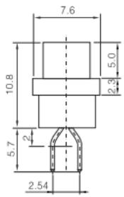
J30J压接系列(推荐)
Section titled “J30J压接系列(推荐)”| 插头 | 插座 |
|---|---|
![]() | ![]() |
插头 J30J-nTJ



插座J30J-nZK



| 产品型号 | 产品型号 | A | B | C |
| J30J-9TJ | J30J-9ZK | 19.6 | 14.3 | 7.6 |
| J30J-15TJ | J30J-15ZK | 23.5 | 18.2 | 7.6 |
| J30J-21TJ | J30J-21ZK | 27.4 | 22 | 7.6 |
| J30J-25TJ | J30J-25ZK | 29.8 | 24.5 | 7.6 |
| J30J-31TJ | J30J-31ZK | 33.6 | 28.3 | 7.6 |
| J30J-37TJ | J30J-37ZK | 37.4 | 32.2 | 7.6 |
| J30J-51TJ | J30J-51ZK | 36.4 | 30.86 | 8.7 |
| J30J-66TJ | J30J-66ZK | 42.9 | 37.3 | 8.7 |
| J30J-74TJ | J30J-74ZK | 38.8 | 33.5 | 9.7 |
| J30J-100TJ | J30J-100ZK | 54.7 | 45.7 | 9.7 |
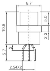
J30J普通焊接S系列
Section titled “J30J普通焊接S系列”| 插头 | 插座 |
|---|---|
![]() | ![]() |
插头:J30J -(9 ~ 37)TJS


插头:J30J-51、 66TJS


插头:J30J-74、100TJS


| 产品型号 | A | B | C |
| J30J-9TJS | 19.6 | 14.3 | 7.6 |
| J30J-15TJS | 23.5 | 18.2 | 7.6 |
| J30J-21TJS | 27.4 | 22 | 7.6 |
| J30J-25TJS | 29.8 | 24.5 | 7.6 |
| J30J-31TJS | 33.6 | 28.3 | 7.6 |
| J30J-37TJS | 37.4 | 32.2 | 7.6 |
| J30J-51TJS | 36.4 | 30.86 | 8.7 |
| J30J-66TJS | 42.9 | 37.3 | 8.7 |
| J30J-74TJS | 38.8 | 33.5 | 9.7 |
| J30J-100TJS | 54.7 | 45.7 | 9.7 |
插座:J30J-(9~37)ZKS


插座:J30J-51、66ZKS


插座:J30J-74、 100ZKS


| 产品型号 | A | B | C |
| J30J-9ZKS | 19.6 | 14.3 | 7.6 |
| J30J-15ZKS | 23.5 | 18.2 | 7.6 |
| J30J-21ZKS | 27.4 | 22 | 7.6 |
| J30J-25ZKS | 29.8 | 24.5 | 7.6 |
| J30J-31ZKS | 33.6 | 28.3 | 7.6 |
| J30J-37ZKS | 37.4 | 32.2 | 7.6 |
| J30J-51ZKS | 36.4 | 30.86 | 8.7 |
| J30J-66ZKS | 42.9 | 37.3 | 8.7 |
| J30J-74ZKS | 38.8 | 33.5 | 9.7 |
| J30J-100ZKS | 54.7 | 45.7 | 9.7 |
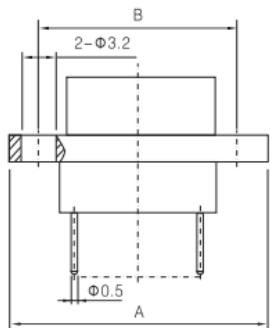
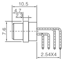
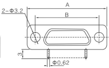
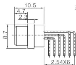
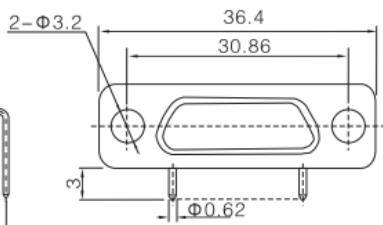
J30J直插印制板N系列
Section titled “J30J直插印制板N系列”| 插头 | 插座 |
|---|---|
![]() | ![]() |
插头:J30J-(9~ 37)TJN



J30J-51TJN

插座J30J-(9~37)ZKN



J30J-51ZKN

| 产品型号 | 产品型号 | A | B |
| J30J-9TJN | J30J-9ZKN | 19.6 | 14.3 |
| J30J-15TJN | J30J-15ZKN | 23.5 | 18.2 |
| J30J-21TJN | J30J-21ZKN | 27.4 | 22 |
| J30J-25TJN | J30J-25ZKN | 29.8 | 24.5 |
| J30J-31TJN | J30J-31ZKN | 33.6 | 28.3 |
| J30J-37TJN | J30J-37ZKN | 37.4 | 32.2 |
J30J直插印制板N-J系列
Section titled “J30J直插印制板N-J系列”| 插头 | 插座 |
|---|---|
![]() | ![]() |
插头:J30J-(9 ~ 37)TJN-J


| 产品型号 | A | B |
| J30J-9TJN-J | 19.6 | 14.3 |
| J30J-15TJN-J | 23.5 | 18.2 |
| J30J-21TJN-J | 27.4 | 22 |
| J30J-25TJN-J | 29.8 | 24.5 |
| J30J-31TJN-J | 33.6 | 28.3 |
| J30J-37TJN-J | 37.4 | 32.2 |
J30J-51、66TJN-J


| 产品型号 | A | B |
| J30J-51TJN-J | 36.4 | 30.86 |
| J30J-66TJN-J | 42.9 | 37.3 |
J30J-74、100TJN-J


| 产品型号 | A | B |
| J30J-74TJN-J | 38.8 | 33.5 |
| J30J-100TJN-J | 54.7 | 45.7 |
插座J30J-(9 ~ 37)ZKN-J


| 产品型号 | A | B |
| J30J-9ZKN-J | 19.6 | 14.3 |
| J30J-15ZKN-J | 23.5 | 18.2 |
| J30J-21ZKN-J | 27.4 | 22 |
| J30J-25ZKN-J | 29.8 | 24.5 |
| J30J-31ZKN-J | 33.6 | 28.3 |
| J30J-37ZKN-J | 37.4 | 32.2 |
J30J-51、 66ZKN-J


| 产品型号 | A | B |
| J30J-51ZKN-J | 36.4 | 30.86 |
| J30J-66ZKN-J | 42.9 | 37.3 |
J30J 74、 100ZKN J


| 产品型号 | A | B |
| J30J-74ZKN-J | 38.8 | 33.5 |
| J30J-100ZKN-J | 54.7 | 45.7 |
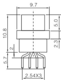
J30J弯插印制板W系列
Section titled “J30J弯插印制板W系列”| 插头 | 插座 |
|---|---|
![]() | ![]() |
插头:J30J-(9 ~ 37)TJW


插头:J30J-51TJW


插座:J30J-(9 ~ 37)ZKW


插座:J30J-51ZKW


| 产品型号 | 产品型号 | A | B |
| J30J-9TJW | J30J-9ZKW | 19.6 | 14.3 |
| J30J-15TJW | J30J-15ZKW | 23.5 | 18.2 |
| J30J-21TJW | J30J-21ZKW | 27.4 | 22 |
| J30J-25TJW | J30J-25ZKW | 29.8 | 24.5 |
| J30J-31TJW | J30J-31ZKW | 33.6 | 28.3 |
| J30J-37TJW | J30J-37ZKW | 37.4 | 32.2 |
J30J弯插印制板W-J系列
Section titled “J30J弯插印制板W-J系列”| 插头 | 插座 |
|---|---|
![]() | ![]() |
插头:J30J-(9~37)TJW-J

| 产品型号 | A | B |
| J30J-9TJW-J | 19.6 | 14.3 |
| J30J-15TJW-J | 23.5 | 18.2 |
| J30J-21TJW-J | 27.4 | 22 |
| J30J-25TJW-J | 29.8 | 24.5 |
| J30J-31TJW-J | 33.6 | 28.3 |
| J30J-37TJW-J | 37.4 | 32.2 |
插头:J30J-51、66TJW-J


| 产品型号 | A | B |
| J30J-51TJW-J | 36.4 | 30.86 |
| J30J-66TJW-J | 42.9 | 37.3 |
插头:J30J-74TJW-J


插头:J30J-100TJW-J


插座:J30J-(9~37)ZKW-J

| 产品型号 | A | B |
| J30J-9ZKW-J | 19.6 | 14.3 |
| J30J-15ZKW-J | 23.5 | 18.2 |
| J30J-21ZKW-J | 27.4 | 22 |
| J30J-25ZKW-J | 29.8 | 24.5 |
| J30J-31ZKW-J | 33.6 | 28.3 |
| J30J-37ZKW-J | 37.4 | 32.2 |
插座:J30J-51、66ZKW-J


| 产品型号 | A | B |
| J30J-51ZKW-J | 36.4 | 30.86 |
| J30J-66ZKW-J | 42.9 | 37.3 |
插座:J30J-74ZKW-J


插座:J30J-100ZKW-J


J30J线夹合件\A1型线夹合件及A3型线夹合件
Section titled “J30J线夹合件\A1型线夹合件及A3型线夹合件”A1型线夹能与J30J基本型压接系列产品配合使用,且产品配装的锁紧组件通常应是自由端锁紧组件
A3型线夹是J30J普通型焊接S系列产品的默认配套,并且也可与J30J 普通型压接系列产品配套使用
A3型线夹是J30J普通型压接系列产品配套使用时产品订货标志位
J30J-3TJ3-A3(插头)、J30J-3ZK3-A3(插座)
A3型线夹是J30J普通型焊接S系列产品配套使用时产品订货标志位
J30J-3TJS(插头)、 J30J-3ZKS(插座)

外形尺寸:J30J-A1线夹

| 尺寸 | A | B | C |
| J30J-9A1 | 9.9 | 23.6 | 10.4 |
| J30J-15A1 | 13.8 | 23.6 | 10.4 |
| J30J-21A1 | 17.6 | 23.6 | 10.4 |
| J30J-25A1 | 20.2 | 23.6 | 10.4 |
| J30J-31A1 | 24 | 23.6 | 10.4 |
| J30J-37A1 | 27.8 | 23.6 | 10.4 |
| J30J-51A1 | 26.6 | 23.6 | 11.2 |
| J30J-66A1 | 33 | 23.6 | 11.2 |
| J30J-74A1 | 29.1 | 30 | 12 |
| J30J-100A1 | 40.7 | 30 | 12 |
外形尺寸:J30J-A3线夹

| 尺寸 | A | B | C | D | E |
| J30J-9A3 | 19.6 | 9.9 | 18.2 | 10.4 | 27 |
| J30J-15A3 | 23.5 | 13.8 | 18.2 | 10.4 | 27 |
| J30J-21A3 | 27.4 | 17.6 | 19.2 | 10.4 | 28 |
| J30J-25A3 | 29.8 | 20.2 | 19.2 | 10.4 | 28 |
| J30J-31A3 | 33.6 | 24 | 19.2 | 10.4 | 28 |
| J30J-37A3 | 37.4 | 27.8 | 19.2 | 10.4 | 28 |
| J30J-51A3 | 36.4 | 26.6 | 21.2 | 11.2 | 30 |
| J30J-66A3 | 42.9 | 33 | 21.2 | 11.2 | 30 |
| J30J-74A3 | 38.8 | 29.1 | 21.2 | 12 | 30 |
| J30J-100A3 | 54.7 | 40.7 | 21.2 | 12 | 30 |
J30J锁紧组件
Section titled “J30J锁紧组件”自由端锁紧组件:L型锁紧组件


L型锁紧组件应与P、PO、P2、P3、P4、P5、P7、P8、P9、P10、P11、P14型锁紧组件配套使用
自由端锁紧组件:K、K1锁紧组件


| 紧锁组件型号 | A |
| K | M2-6g |
| K1 | 0.086-56UNC-2A |
| K4 | M2-6g |
1、K型锁紧组件必须与P、PO、P2、P3、P4、P5、P7、P8、P9、P10、P11、P14型锁紧组件配套使用;
2、K1型锁紧组件必须与P1型锁紧组件配套使用。
3、K4为K1基础上,螺钉由一字槽改为十字槽。
J30J锁紧组件
Section titled “J30J锁紧组件”固定端锁紧组件:P、P1、P8、P9型锁紧组件


| 锁紧组件型号 | A | B | C |
| P | M2-6H | M2-6h | 12.6 |
| P1 | 0.086-56UNC-2B | 0.086-56UNC-2A | 12.6 |
| P8 | M2-6H | M2-6h | 15.6 |
| P9 | M2-6H | M2-6h | 21.6 |
1、P、P1、P8、P9型锁紧组件只适用于板前安装。
2.P,P8,P9型锁紧组件必须与I或K型锁紧组件配套使用:
P1型锁紧组件必须与K1型锁紧组件配套使用。
固定端锁紧组件:P0、P3、P4、P11型锁紧组件


| 锁紧组件型号 | A | B |
| P0 | 4.1 | 0.6 |
| P3 | 3.3 | 1.4 |
| P4 | 2.5 | 2.2 |
| P11 | 1.3 | 3.4 |
1、P0、P3、P4、P11型锁紧组件只适用于板后安装。
2、P0、P3、P4、P11型锁紧组件必须与L或K型锁紧组件配套使用。
固定端锁紧组件:P2型锁紧组件


| 芯数 | A | B |
| 9~37 | 4.2 | 7.6 |
| 51 | 4.2 | 8.7 |
| 66 | 4.2 | 8.7 |
| 74 | 4.2 | 9.7 |
| 100 | 8.8 | 9.7 |
1、P2型锁紧组件只适用于安装板厚度为1mm、90°弯插印制板的板后安装;
2、P2型锁紧组件必须与L或K型锁紧组件配套使用。
固定端锁紧组件:P5、P10型锁紧组件


1、P5、P10型锁紧组件只适用于印制板厚度为16~2.5mm的直插印制板板前安装。
2、P5、P10型锁紧组件必须与L或K型锁紧组件配套使用。
| 锁紧组件型号 | A | B | C |
| P5 | 5.7 | 5.9 | 18.6 |
| P10 | 8 | 8.4 | 20.5 |
固定端锁紧组件:P7型锁紧组件


1、P7型锁紧组件只适用于90°弯插印制板的板前安装。
2、P7型锁紧组件必须与L或K型锁紧组件配套使用。
| 芯数 | A | B |
| 9~37 | 4.2 | 7.6 |
| 51 | 4.2 | 8.7 |
| 66 | 4.2 | 8.7 |
| 74 | 4.2 | 9.7 |
| 100 | 8.8 | 9.7 |
固定端锁紧组件:P14型锁紧组件



1、P14型锁紧组件适用干安装板厚度为3mm,90弯插印制板的板后安装。
2、P14型锁紧组件必须与L或K型锁紧组件配套使用。
| 芯数 | A | B |
| 9~37 | 4.2 | 7.6 |
| 51 | 4.2 | 8.7 |
| 66 | 4.2 | 8.7 |
| 74 | 4.2 | 9.7 |
| 100 | 8.8 | 9.7 |
固定端锁紧组件:P24型锁紧组件


1、P24型的锁紧组件适用于厚度不大于2mm的印制板后安装。
2、P24型的锁紧组件只用于J30J系列普通型直插印制板的产品中。
固定端锁紧组件:V型锁紧组件


1、V型锁紧组件适用于厚度不大于2.5mm的印制板:
2、V型锁紧组件只用于J30J普通型直插印制板且插头插座之间无需锁紧的产品中。
固定端锁紧组件:V1型锁紧组件


注:V1型锁紧组件适用干弯插印制板
且插头插座之间无需锁紧的产品中。
| 芯数 | A | B |
| 9~37 | 4.2 | 7.6 |
| 51 | 4.2 | 8.7 |
| 66 | 4.2 | 8.7 |
| 74 | 4.2 | 9.7 |
| 100 | 8.8 | 9.7 |
J30J安装开孔尺寸
Section titled “J30J安装开孔尺寸”J30J普通型压接、焊接系列板前安装开孔尺寸

| 产品型号 | A | B | C |
| J30J-9 | 14.3 | 10.2 | 7 |
| J30J-15 | 18.2 | 14.1 | 7 |
| J30J-21 | 22 | 17.9 | 7 |
| J30J-25 | 24.5 | 20.5 | 7 |
| J30J-31 | 28.3 | 24.3 | 7 |
| J30J-37 | 32.2 | 28.1 | 7 |
| J30J-51 | 30.86 | 26.9 | 8.1 |
| J30J-66 | 42.9 | 37.3 | 8.1 |
| J30J-74 | 33.5 | 29.4 | 9.3 |
| J30J-100 | 45.7 | 37 | 9.3 |
J30J普通型压接系列板后安装开孔尺寸

| 产品型号 | A | B | C |
| J30J-9 | 14.3 | 10.2 | 6.3 |
| J30J-15 | 18.2 | 14.1 | 6.3 |
| J30J-21 | 22 | 17.9 | 6.3 |
| J30J-25 | 24.5 | 20.5 | 6.3 |
| J30J-31 | 28.3 | 24.3 | 6.3 |
| J30J-37 | 32.2 | 28.1 | 6.3 |
| J30J-51 | 30.86 | 26.9 | 7.4 |
| J30J-66 | 37.3 | 30.2 | 7.4 |
| J30J-74 | 33.5 | 29.4 | 8.6 |
J30J-100

J30J直插印制板N系列安装开孔尺寸
Section titled “J30J直插印制板N系列安装开孔尺寸”*J30J-TJN(网格尺寸2.54×2.54)
J30J-9TJN

J30J-25TJN

J30J-31TJN

J30J-37TJN

J30J-51TJN

*J30J-ZKN(网格尺寸2.54×2.54)

J30J-9ZKN

J30J-15ZKN

J30J-25ZKN

J30J-31ZKN

J30J-37ZKN

J30J-51ZKN

J30J直插印制板N-J系列安装开孔尺寸
Section titled “J30J直插印制板N-J系列安装开孔尺寸”*J30J-TJN-J(网格尺寸1.27×2.54)
J30J-9TJN-J

J30J-15TJN-J

J30J-21TJN-J

J30J-25TJN-J

J30J-31TJN-J

J30J-37TJN-J

J30J-51TJN-J

J30J-66TJN-J

J30J-74TJN-J

J30J-100TJN-J

*J30J-ZKN-J(网格尺寸1.27×2.54)
J30J-9ZKN-J

J30J-15ZKN-J

J30J-21ZKN-J

J30J-25ZKN-J

J30J-31ZKN-J

J30J-37ZKN-J

J30J-51ZKN-J

J30J-66ZKN-J

J30J-74ZKN-J

J30J-100ZKN-J

J30J弯插印制板W系列安装开孔尺寸
Section titled “J30J弯插印制板W系列安装开孔尺寸”*J30J-TJW(网格尺寸2.54×2.54)
J30J-9TJW

J30J-15TJW

J30J-21TJW

J30J-25TJW

J30J-31TJW

J30J-37TJW

J30J-51TJW

*J30J-ZKW(网格尺寸2.54×2.54)
J30J-9ZKW


J30J-31TJW

J30J-15ZKW

J30J-21ZKW

J30J-25ZKW

J30J-31ZKW

J30J-37ZKW

J30J-51ZKW
J30J弯插印制板W-J系列安装开孔尺寸
Section titled “J30J弯插印制板W-J系列安装开孔尺寸”*J30J-TJW-J(网格尺寸1.27×2.54)
J30J-9TJW-J

J30J-15TJW-J

J30J-21TJW-J

J30J-25TJW-J

J30J-31TJW-J

J30J-37TJW-J

J30J-51TJW-J

J30J-66TJW-J

J30J-74TJW-J

J30J-100TJW-J

*J30J-ZKW-J(网格尺寸1.27×2.54)
J30J-9ZKW-J

J30J-15ZKW-J

J30J-21ZKW-J

J30J-25ZKW-J

J30J-31ZKW-J

J30J-37ZKW-J

J30J-51ZKW-J

J30J-66ZKW-J

J30J-74ZKW-J

J30J-100ZKW-J

J30JMI 系列玻璃密封微矩形电连接器
Section titled “J30JMI 系列玻璃密封微矩形电连接器”J30JMI 系列玻璃密封微矩形:产品简介
Section titled “J30JMI 系列玻璃密封微矩形:产品简介”本系列产品属单孔玻璃珠烧结密封插座,接点间距为1.27mm,排距为1.1mm,插座整体镀金,介质采用玻璃烧结密封,气密性良好,具有密封接口功能,实现腔体的密封,可用于需要较高密封要求的整机系统,尾部端接适配导线线芯截面积为0.1~0.15mm2,尾部端接还可直接与印制板焊接。规格有 5、9、13、15、21、25、31、37、51、74芯十种规格。
本系列产品可根据客户要求定制。
J30JMI 系列玻璃密封微矩形:应用
Section titled “J30JMI 系列玻璃密封微矩形:应用”本系列产品适用于地面、机载、舰载、宇航、弹载等环境。
J30JMI 系列玻璃密封微矩形:特点
Section titled “J30JMI 系列玻璃密封微矩形:特点”耐高温
良好的密封性
电磁屏蔽性能优良
体积小
重量轻
耐冲击
抗振动
J30JMI 系列玻璃密封微矩形:性能
Section titled “J30JMI 系列玻璃密封微矩形:性能”产品性能符合 GJB-2446的要求
执行标准:Q/BK 010-2015《J30J 系列微型矩形电连接器详细规范》
J30JMI 系列玻璃密封微矩形:型号命名规则
Section titled “J30JMI 系列玻璃密封微矩形:型号命名规则”| J30J | MI - | ** | ** | ** | ** - | ** |
|---|---|---|---|---|---|---|
| ① | ② | ③ | ④ | ⑤ | ⑥ | ⑦ |
| ① 主称代号:J30J系列 | ||||||
| ② 绝缘体:MI-单孔玻璃 | ||||||
| ③ 接触件数目:5、9、13、15、21、25、31、37、51、74 | ||||||
| ④ 电连接器类别:ZK-插座装插孔;TJ-插头装插针 | ||||||
| ⑤ 接触端形式:S-尾端键合式;N-直插式;H-焊接式; |
Y-侧面键合式;无标识-压接式
⑥ 锁紧及安装标识:无标识-无锁紧
⑦ 改型标识
J30JMI 系列玻璃密封微矩形:主要性能指标
Section titled “J30JMI 系列玻璃密封微矩形:主要性能指标”注:*性能满足GJB2446要求,执行标准 : Q/BK 010-2015《J30J 系列微型矩形电连接器详细规范》
| 项目 | 指标 | 项目 | 指标 | 材料及表面涂覆 | ||
| 绝缘电阻 | ≥5000MΩ(500VDC) | 工作温度范围 | -55℃~+125℃ | 材料 | 表面涂覆 | |
| *介质耐电压 | 300V r.m.s | *接触电阻 | ≤20mΩ | 外壳 | 可伐合金 | 镀镍镀金 |
| *气密性 | ≤1*10-3Pa. cm3/s(He) | 振动 | 频率10~2000Hz,加速度196m/s2 | 接触件 | 可伐合金 | |
| 额定电流 | 3A | 冲击 | 735m/s2 6ms,后峰锯齿波,2.19m/s | 绝缘介质 | 玻璃 | / |
| 盐雾 | ≥48小时(根据客户要求可达到96小时) | 机械寿命 | 500次 | |||
J30JMI 系列玻璃密封微矩形:外形和尺寸
Section titled “J30JMI 系列玻璃密封微矩形:外形和尺寸”

| 产品型号 | n | A | B |
| J30JMI-9ZKS19 | 9 | 9.3 | 8.3 |
| J30JMI-13ZKS19 | 13 | 11.7 | 10.7 |
| J30JMI-15ZKS19 | 15 | 12.97 | 11.97 |
| J30JMI-21ZKS19 | 21 | 16.8 | 15.8 |
| J30JMI-25ZKS19 | 25 | 19.32 | 18.32 |
| J30JMI-31ZKS19 | 31 | 23.2 | 22.2 |
| J30JMI-37ZKS19 | 37 | 27 | 26 |


| 产品型号 | n | A | B |
| J30JMI-9ZKS-TN | 9 | 10.16 | 8.16 |
| J30JMI-13ZKS-TN | 13 | 12.7 | 10.7 |
| J30JMI-15ZKS-TN | 15 | 13.97 | 11.97 |
| J30JMI-21ZKS-TN | 21 | 17.8 | 15.8 |
| J30JMI-25ZKS-TN | 25 | 20.32 | 18.32 |
| J30JMI-31ZKS-TN | 31 | 24.2 | 22.2 |
| J30JMI-37ZKS-TN | 37 | 28 | 26 |
外形和尺寸

| 产品型号 | n | A | B |
|---|---|---|---|
| J30JMI-13ZKN-KF | 13 | 11.7 | 10.7 |

| 产品型号 | n | A | B |
|---|---|---|---|
| J30JMI-21ZKS-KF | 21 | 16.8 | 15.8 |
| J30JMI-37ZKS-KF | 37 | 27 | 26 |
| J30JMI-51ZKS-KF | 51 | 35.6 | 34.6 |
外形和尺寸

| 产品型号 | n | A | B |
| J30JMI-5ZKN | 5 | 6.6 | 5.6 |

| 产品型号 | n | A | B |
| J30JMI-21ZKS-Q25 | 21 | 22.3 | 21.3 |
| J30JMI-31ZKS-Q25 | 31 | 28.6 | 27.6 |

| 产品型号 | n | A | B | C |
|---|---|---|---|---|
| J30JMI-25ZKS1-Q2 | 25 | 27.6 | 26.6 | 23.2 |

| 产品型号 | n | A | B |
|---|---|---|---|
| J30JMI-25ZKS-002 | 25 | 20.32 | 18.32 |
外形和尺寸

| 产品型号 | n | A | B |
|---|---|---|---|
| J30JMI-25ZKS-KF | 25 | 19.3 | 18.3 |

| 产品型号 | n | A | B |
|---|---|---|---|
| J30JMI-25ZKS-KF1 | 25 | 19.3 | 18.3 |
外形和尺寸

| 产品型号 | n | A | B | C |
|---|---|---|---|---|
| J30JMI-15ZKH1-Q3 | 15 | 17.5 | 16.5 | 14.25 |

| 产品型号 | n | A | B | C |
|---|---|---|---|---|
| J30JMI-25ZKHY-Q6-1 | 25 | 25 | 23.8 | 21.3 |
外形和尺寸

| 产品型号 | n | A | B | C |
|---|---|---|---|---|
| FJ30JMI-21FB39K1C1N | 21 | 22.3 | 21.3 | 18.7 |

| 产品型号 | n | A | B | C |
|---|---|---|---|---|
| FJ30JMI-25FB39K1C1N | 25 | 19.32 | 18.32 | 0.05 |
| FJ30JMI-37FB39K1C1N | 37 | 27 | 26 | 0.2 |
外形和尺寸

| 产品型号 | n | A | B | C | D |
|---|---|---|---|---|---|
| FJ30JAMI-74ZKF-Q98 | 74 | 42.8 | 37.9 | 33.5 | 30.2 |

| 产品型号 | n | A | B | C |
|---|---|---|---|---|
| (T)HSDAMI-15ZKS-A | 15 | 14.2 | 13.15 | 13.1 |
HJ30JM 系列玻璃密封微矩形电连接器
Section titled “HJ30JM 系列玻璃密封微矩形电连接器”HJ30JM 系列玻璃密封微矩形:产品简介
Section titled “HJ30JM 系列玻璃密封微矩形:产品简介”本系列产品属整体玻璃珠烧结密封插座,接点间距、排距均为1.27mm,插座整体镀金,介质采用玻璃烧结密封,气密性良好,具有密封接口功能,实现腔体的密封,可用于需要较高密封要求的整机系统,规格有12、18、24、30、36、55、100芯7种规格。本系列产品可根据客户要求定制。
HJ30JM 系列玻璃密封微矩形:应用
Section titled “HJ30JM 系列玻璃密封微矩形:应用”本系列产品可耐受较强振动、冲击等严酷使用环境,主要用于千兆以太网、DVI\LVDS等信号传输,满足小空间线对板高速信号传输,适用于各类电子通信设备的电路连接。
HJ30JM 系列玻璃密封微矩形:特点
Section titled “HJ30JM 系列玻璃密封微矩形:特点”耐高温
体积小
接触可靠
良好的密封性
电磁屏蔽性能优良
耐冲击
抗振动
HJ30JM 系列玻璃密封微矩形:执行标准
Section titled “HJ30JM 系列玻璃密封微矩形:执行标准”GJB 2446A-2011《外壳定位超小型矩形电连接器总规范》
Q-KF-012-2023《HJ30JM 系列玻璃密封微矩形电连接器通用规范》
HJ30JM 系列玻璃密封微矩形:型号命名规则
Section titled “HJ30JM 系列玻璃密封微矩形:型号命名规则”| HJ30J | M | - | ** | ** | ** | ** | - | ** |
|---|---|---|---|---|---|---|---|---|
| ① | ② | ③ | ④ | ⑤ | ⑥ | ⑦ |
① 主称代号:HJ30J系列
② 绝缘体:M-整体玻璃
③ 接触件数目:12、18、24、30、36、55、100
④ 电连接器类别:ZK-插座装插孔;TJ-插头装插针
⑤ 接触端形式:N-直插式;S-焊接式;无标识-压接式
⑥ 锁紧及安装标识:无标识-无锁紧
⑦ 改型标识
HJ30JM 系列玻璃密封微矩形:主要性能指标:
Section titled “HJ30JM 系列玻璃密封微矩形:主要性能指标:”注:*性能满足我司企业标准 Q-KF-012-2023《HJ30JM系列玻璃密封微矩形电连接器通
用规范》
| 项目 | 指标 | 项目 | 指标 | 材料及表面涂覆 | ||
| *绝缘电阻 | ≥5000MΩ(500VDC) | 工作温度范围 | -55℃~+125℃ | 材料 | 表面涂覆 | |
| *介质耐电压 | 300V r.m.s | *接触电阻 | ≤20mΩ | 外壳 | 可伐合金 | 镀镍镀金 |
| *气密性 | ≤1*10-3Pa. cm3/s(He) | 振动 | 频率10~2000Hz加速度196m/s2 | 接触件 | 可伐合金 | |
| 额定电流 | 3A | 冲击 | 490m/s2. 11ms,后峰锯齿波,2.68m/s | 绝缘介质 | 玻璃 | / |
| 盐雾 | ≥48小时(根据客户要求可达96小时) | 机械寿命 | 500次 | |||
外形和尺寸

| 产品型号 | n | A | B | C | D | E |
|---|---|---|---|---|---|---|
| HJ30JM-12ZKP82-A | 12 | 23.5 | 18.2 | 12.52 | 11.1 | 8.75 |

| 产品型号 | n | A | B | C | D | E | F |
|---|---|---|---|---|---|---|---|
| HJ30JM-12ZKP2-B1 | 12 | 23.5 | 18.2 | 13.7 | 12.42 | 11.1 | 8.75 |
外形和尺寸

| 产品型号 | n | A | B | C | D | E |
|---|---|---|---|---|---|---|
| HJ30JM-12ZKN2P15-H14.5 | 12 | 23.5 | 18.2 | 12.6 | 11.1 | 8.75 |

| 产品型号 | n | A | B | C | D | E | F |
|---|---|---|---|---|---|---|---|
| HJ30JM-18ZKP29-B1 | 18 | 27.4 | 21.97 | 17.51 | 16.41 | 14.91 | 12.54 |
外形和尺寸

| 产品型号 | n | A | B | C | D | E |
|---|---|---|---|---|---|---|
| HJ30JM-36ZKP4-B1 | 36 | 37.46 | 32.13 | 27.71 | 26.3 | 23.99 |

| 产品型号 | n | A | B | C | D | E | F |
|---|---|---|---|---|---|---|---|
| HJ30JM-36ZKN3P32 | 36 | 37.46 | 32.13 | 27.8 | 27.52 | 26.3 | 23.99 |
外形和尺寸

| 产品型号 | n | A | B | C | D | E | F |
|---|---|---|---|---|---|---|---|
| HJ30JM-36ZKP2-B1-SR100 | 36 | 37.46 | 32.13 | 27.8 | 27.71 | 26.3 | 23.99 |

| 产品型号 | n | A | B | C | D | E |
|---|---|---|---|---|---|---|
| HJ30JM-55ZKP4-A-MA-SAR-A1B1 | 55 | 33.1 | 27.4 | 18.9 | 17.4 | 15.1 |
外形和尺寸

| 产品型号 | n | A | B | C | D | E |
|---|---|---|---|---|---|---|
| HJ30JM-55ZKP4-B-MA-SAR-A1B1 | 55 | 33.1 | 27.4 | 18.9 | 17.4 | 15.1 |

| 产品型号 | n | A | B | C | D | E | F |
|---|---|---|---|---|---|---|---|
| HJ30JM-55ZKP1-B-SER200 | 55 | 33.1 | 27.4 | 20.05 | 18.9 | 17.4 | 15.1 |
J40JMI 系列玻璃密封微矩形电连接器
Section titled “J40JMI 系列玻璃密封微矩形电连接器”J40JMI 系列玻璃密封微矩形:产品简介
Section titled “J40JMI 系列玻璃密封微矩形:产品简介”本系列产品属单孔玻璃珠烧结密封插座,接点间距为1.0mm,插座整体镀金,介质采用玻璃烧结密封,气密性良好,具有密封接口功能,实现腔体的密封,规格有11、13、15、25、31、37、39、51芯8种规格。本系列产品可根据客户要求定制。
J40JMI 系列玻璃密封微矩形:应用
Section titled “J40JMI 系列玻璃密封微矩形:应用”本系列产品适用于弹上各电子设备与主控计算机的总线连接或各类小型化电子设备内部的电路连接。
J40JMI 系列玻璃密封微矩形:特点
Section titled “J40JMI 系列玻璃密封微矩形:特点”耐高温
体积小
电接触可靠
良好的密封性
重量轻
接点密度高
抗振动
J40JMI 系列玻璃密封微矩形:执行标准
Section titled “J40JMI 系列玻璃密封微矩形:执行标准”GJB 2446A-2011《外壳定位超小型矩形电连接器总规范》
Q-KF-019-2023《J40JMI 系列玻璃密封微矩形电连接器通用规范》
J40JMI 系列玻璃密封微矩形:型号命名规则
Section titled “J40JMI 系列玻璃密封微矩形:型号命名规则”| J40J | MI | ** | ** | ** | ** | ** |
|---|---|---|---|---|---|---|
| ① | ② | ③ | ④ | ⑤ | ⑥ | ⑦ |
① 主称代号:J40J系列
② 绝缘体:MI-单孔玻璃
③ 接触件数目:11、13、15、25、31、37、39、51
④ 电连接器类别:ZK-插座装插孔;TJ-插头装插针
⑤ 接触端形式:N-直插式;S-焊接式;无标识-压接式
⑥ 锁紧及安装标识:无标识-无锁紧
⑦ 改型标识
J40JMI 系列玻璃密封微矩形:主要性能指标
Section titled “J40JMI 系列玻璃密封微矩形:主要性能指标”注:*性能满足我司企业标准 Q-KF-019-2023《J40JMI 系列玻璃密封微矩形电连
接器通用规范》
| 项目 | 指标 | 项目 | 指标 | 材料及表面涂覆 | ||
| *绝缘电阻 | ≥5000MΩ(500VDC) | 工作温度范围 | -55℃~+125℃ | 材料 | 表面涂覆 | |
| *介质耐电压 | 300V r.m.s | *接触电阻 | ≤20mΩ | 外壳 | 可伐合金 | 镀镍镀金 |
| *气密性 | ≤1*10-3Pa. cm3/s(He) | 振动 | 频率10~2000Hz加速度196m/s2 | 接触件 | 可伐合金 | |
| 额定电流 | 3A | 冲击 | 490m/s2, 11ms,后峰锯齿波,2.68m/s | 绝缘介质 | 玻璃 | / |
| 盐雾 | ≥48小时(根据客户要求可达到96小时) | 机械寿命 | 500次 | |||
J40JMI 系列玻璃密封微矩形:外形和尺寸
Section titled “J40JMI 系列玻璃密封微矩形:外形和尺寸”
| 产品型号 | n | A | B | C |
|---|---|---|---|---|
| J40JMI-37ZKN | 37 | 21.85 | 20.85 | 19.95 |

| 产品型号 | n | A | B | C |
|---|---|---|---|---|
| J40JMI-31ZKS0850X | 31 | 18.85 | 17.85 | 16.95 |
| J40JMI-37ZKS0850X | 37 | 21.85 | 20.85 | 19.95 |
J63AMI 系列玻璃密封超微矩形电连接器
Section titled “J63AMI 系列玻璃密封超微矩形电连接器”J63AMI 系列玻璃密封超微矩形:产品简介
Section titled “J63AMI 系列玻璃密封超微矩形:产品简介”本系列产品属单孔玻璃珠烧结密封插座,接点间距为0.635mm,插座整体镀金,介质采用玻璃烧结密封,气密性良好,具有密封接口功能,实现腔体的密封,可用于需要较高密封要求的整机系统,规格有9、15、21、25、31、37芯6种规格。本系列产品可根据客户要求定制。
J63AMI 系列玻璃密封超微矩形:应用
Section titled “J63AMI 系列玻璃密封超微矩形:应用”本系列产品主要涉及通信设备技术领域,适用于工业设备、航海、航天等场合。
J63AMI 系列玻璃密封超微矩形:特点
Section titled “J63AMI 系列玻璃密封超微矩形:特点”接点密度高
防反插
空间环境稳定性好
良好的密封性
电磁屏蔽性能优良
体积小
重量轻
耐冲击
抗振动
J63AMI 系列玻璃密封超微矩形:执行标准
Section titled “J63AMI 系列玻璃密封超微矩形:执行标准”GJB 2446A-2011《外壳定位超小型矩形电连接器总规范》
Q-KF-013-2023《J63AMI系列玻璃密封超微矩形电连接器通用规范》
J63AMI 系列玻璃密封超微矩形:型号命名规则
Section titled “J63AMI 系列玻璃密封超微矩形:型号命名规则”| J63A | MI | - | * | * | * - | *** | - | ** | * - | *** |
|---|---|---|---|---|---|---|---|---|---|---|
| ① | ② | ③ | ④ | ⑤ | ⑥ | ⑦ | ⑧ | ⑨ |
① 主称代号:J63A系列
② 绝缘体:MI-单孔玻璃
③ 接触件排数:2-两排接触件
④ 电连接器类别:S-外壳焊接安装
⑤ 外壳镀覆种类:1-镀金;2-镀镍
⑥ 接触件数目:9、15、21、25、31、37
⑦ 接触端形式:8A-尾端键合金丝
⑧ 接触件镀覆种类:1-镀金
⑨ 锁紧及安装标识:DZ-导向柱;DK-导向孔
J63AMI 系列玻璃密封超微矩形:主要性能指标
Section titled “J63AMI 系列玻璃密封超微矩形:主要性能指标”注:*性能满足我司企业标准 Q-KF-013-2023《J63AMI 系列玻璃密封超微矩形电连接器通用规范》
| 项目 | 指标 | 项目 | 指标 | 材料及表面涂覆 | ||
| *绝缘电阻 | ≥5000MΩ(500VDC) | 工作温度范围 | -55℃~+125℃ | 材料 | 表面涂覆 | |
| *介质耐电压 | 300V r.m.s | *接触电阻 | ≤30mΩ | 外壳 | 可伐合金 | 镀镍镀金 |
| *气密性 | ≤1*10-3Pa. cm3/s(He) | 振动 | 频率10~2000Hz加速度196m/s2 | 接触件 | 可伐合金 | |
| 额定电流 | 1A | 冲击 | 490m/s2, 11ms,后峰锯齿波,2.68m/s | 绝缘介质 | 玻璃 | / |
| 盐雾 | ≥48小时(根据客户要求可达96小时) | 机械寿命 | 500次 | |||
J63AMI 系列玻璃密封超微矩形:外形和尺寸
Section titled “J63AMI 系列玻璃密封超微矩形:外形和尺寸”
| 产品型号 | n | A | B | C | D |
|---|---|---|---|---|---|
| J63AMI-2S1-025-8A1-DZ2 | 25 | 15.4 | 14.8 | 11.94 | 9.32 |
| J63AMI-2S1-037-8A1-DZ2 | 37 | 19.2 | 18.6 | 15.75 | 13.13 |
![]() |
| 产品型号 | n | A | B | C | D |
|---|---|---|---|---|---|
| J63AMI-2S2-025-DK1 | 25 | 19.2 | 18.6 | 15.75 | 13.13 |
| J63AMI-2S2-037-DK1 | 37 | 15.4 | 14.8 | 11.94 | 9.32 |
![]() |
| 产品型号 | n | A | B | C | D | E |
|---|---|---|---|---|---|---|
| JHJ63AMI-G2K04T-D2D1-025 | 25 | 24.7 | 24.1 | 21.2 | 14 | 9.32 |
J66MI 系列玻璃密封微矩形电连接器
Section titled “J66MI 系列玻璃密封微矩形电连接器”J66MI 系列玻璃密封微矩形:产品简介
Section titled “J66MI 系列玻璃密封微矩形:产品简介”本系列产品属单孔玻璃珠烧结密封插座,使用金属外壳、内导体、玻璃三者高温封接结构,间距 0.9mm,能够适应具有气密封要求的使用环境气密封:漏率≤1*10-3 Pa.cm3/s(He),规格有5、9、11、13、15、21、25、31、37、51、66芯11种规格。本系列产品可根据客户要求定制。
J66MI 系列玻璃密封微矩形:应用:
Section titled “J66MI 系列玻璃密封微矩形:应用:”本系列产品广泛应用于电子通信、商业航空航天、电信系统、舰船、通信网络、数据中心、新能源汽车、石油装备、电力装备、医疗设备、智能装备等及高端制造领域。
J66MI 系列玻璃密封微矩形:特点:
Section titled “J66MI 系列玻璃密封微矩形:特点:”较好的机械强度
耐高温
良好的密封性
—电磁屏蔽性能优良
体积小
重量轻
耐冲击
抗振动
J66MI 系列玻璃密封微矩形:执行标准
Section titled “J66MI 系列玻璃密封微矩形:执行标准”GJB 2446A-2011《外壳定位超小型矩形电连接器总规范》
Q-KF-018-2023《J66MI系列玻璃密封微矩形电连接器通用规范》
J66MI 系列玻璃密封微矩形:型号命名规则
Section titled “J66MI 系列玻璃密封微矩形:型号命名规则”| J66 | MI | - | ** | ** | ** | ** |
|---|---|---|---|---|---|---|
| ① | ② | ③ | ④ | ⑤ | ⑥ |
① 主称代号:J66系列
② 绝缘体:MI-单孔玻璃
③ 接触件数目:5、9、11、13、15、21、25、31、37、51、66
④ 电连接器类别:ZK-插座装插孔;TJ-插头装插针
⑤ 尾端形式:S-尾端键合式;N-直插式;H-焊接式Y-侧面键合式;无标识-压接式
⑥ 改型标识
J66MI 系列玻璃密封微矩形:主要性能指标
Section titled “J66MI 系列玻璃密封微矩形:主要性能指标”注:*性能满足我司企业标准 Q-KF-018-2023《J66MI系列玻璃密封微矩形电连接
器通用规范》
| 项目 | 指标 | 项目 | 指标 | 材料及表面涂覆 | ||
| *绝缘电阻 | ≥5000MΩ(500VDC) | 工作温度范围 | -55℃~+125℃ | 材料 | 表面涂覆 | |
| *介质耐电压 | 300V r.m.s | *接触电阻 | ≤30mΩ | 外壳 | 可伐合金 | 镀镍镀金 |
| *气密性 | ≤1*10-3Pa. cm3/s(He) | 振动 | 频率10~2000Hz加速度196m/s2 | 接触件 | 可伐合金 | |
| 额定电流 | 1A | 冲击 | 490m/s2, 11ms,后峰锯齿波,2.68m/s | 绝缘介质 | 玻璃 | / |
| 盐雾 | ≥48小时(根据客户要求可达96小时) | 机械寿命 | 500次 | |||
J66MI 系列玻璃密封微矩形:外形和尺寸
Section titled “J66MI 系列玻璃密封微矩形:外形和尺寸”
| 产品型号 | n | A | B | C |
|---|---|---|---|---|
| J66MI-25ZKH4 | 25 | 14.6 | 13.6 | 12.9 |
J29MI 系列玻璃密封微矩形电连接器
Section titled “J29MI 系列玻璃密封微矩形电连接器”J29MI 系列玻璃密封微矩形:产品简介
Section titled “J29MI 系列玻璃密封微矩形:产品简介”本系列产品属单孔玻璃珠烧结密封插座,接点间距为1.91mm,排距为1.65mm,插座整体镀金,介质采用玻璃烧结密封,气密性良好,具有密封接口功能,实现腔体的密封,可用于需要较高密封要求的整机系统,规格有9、15、21、25、31、37、51、66芯8种规格。本系列产品可根据客户要求定制。
J29MI 系列玻璃密封微矩形:应用
Section titled “J29MI 系列玻璃密封微矩形:应用”本系列产品可耐受较强振动、冲击等严酷使用环境,广泛用于航天、航空、电子计算机等各类电子设备的电路连接,尤其适合用于对使用空间、设备轻型化有特殊要求的使用场合。
J29MI 系列玻璃密封微矩形:特点
Section titled “J29MI 系列玻璃密封微矩形:特点”高密度
良好的密封性
—电磁屏蔽性能优良
体积小
重量轻
耐冲击
抗振动
J29MI 系列玻璃密封微矩形:执行标准
Section titled “J29MI 系列玻璃密封微矩形:执行标准”GJB 2446A-2011《外壳定位超小型矩形电连接器总规范》
Q-KF-014-2023《J29MI系列玻璃密封微矩形电连接器通用规范》
J29MI 系列玻璃密封微矩形:型号命名规则订货标志
Section titled “J29MI 系列玻璃密封微矩形:型号命名规则订货标志”| J29 | MI | - | ** | ** | ** | ** | - | ** |
| ① | ② | ③ | ④ | ⑤ | ⑥ | ⑦ |
① 主称代号:J29系列
② 绝缘体:MI-单孔玻璃
③ 接触件数目:9、15、21、25、31、37、51、66
④ 电连接器类别:ZK-插座装插孔;TJ-插头装插针
⑤ 尾端形式:S-尾端键合式;N-直插式;H-焊接式;
Y-侧面键合式;无标识-压接式
⑥ 锁紧及安装标识:无标识-无锁紧
⑦ 改型标识
J29MI 系列玻璃密封微矩形:主要性能指标
Section titled “J29MI 系列玻璃密封微矩形:主要性能指标”注:*性能满足我司企业标准Q-KF-014-2023《J29MI系列玻璃密封微矩形电连接器通用规范》
| 项目 | 指标 | 项目 | 指标 | 材料及表面涂覆 | ||
| *绝缘电阻 | ≥5000MΩ(500VDC) | 工作温度范围 | -55℃~+125℃ | 材料 | 表面涂覆 | |
| *介质耐电压 | 300V r.m.s | *接触电阻 | ≤10mΩ | 外壳 | 可伐合金 | 镀镍镀金 |
| *气密性 | ≤1*10-3Pa. cm3/s(He) | 振动 | 频率10~2000Hz加速度196m/s2 | 接触件 | 可伐合金 | |
| 额定电流 | 5A | 冲击 | 490m/s2·11ms,后峰锯齿波,2.68m/s | 绝缘介质 | 玻璃 | / |
| 盐雾 | ≥48小时(根据客户要求可达到96小时) | 机械寿命 | 500次 | |||
J29MI 系列玻璃密封微矩形:外形和尺寸
Section titled “J29MI 系列玻璃密封微矩形:外形和尺寸”
| 产品型号 | n | A | B | C | D | E | F |
|---|---|---|---|---|---|---|---|
| J29MI-31ZKNP17 | 31 | 51 | 43.8 | 43.8 | 36 | 34.6 | 33.05 |
HSJ(M)系列玻璃密封微矩形电连接器
Section titled “HSJ(M)系列玻璃密封微矩形电连接器”HSJ(M)系列玻璃密封微矩形:产品简介
Section titled “HSJ(M)系列玻璃密封微矩形:产品简介”本系列产品使用金属外壳、内导体、玻璃三者高温封接结构,基于高速性能优化的非等间距排列方式,在J30JMI系列玻璃密封微矩形电连接器的基础上为提高高速传输性能、满足多种信号(差分、射频、光、低频等)集成传输等应用需求而开发的,集高可靠、多功能、虚拟模块化架构等特点于一体的I/O 互联系统,规格有20、40、72芯3种规格。本系列产品可根据客户要求定制。
HSJ(M)系列玻璃密封微矩形:应用
Section titled “HSJ(M)系列玻璃密封微矩形:应用”本系列产品适用于有高速率传输、高频率传输、多种信号(差分、射频、光、低频等)集成传输等应用需求的场合。
HSJ(M)系列玻璃密封微矩形:特点
Section titled “HSJ(M)系列玻璃密封微矩形:特点”—良好的密封性
高速率传输
高频率传输
多种信号传输
高可靠性
虚拟模块化架构
HSJ(M)系列玻璃密封微矩形:执行标准
Section titled “HSJ(M)系列玻璃密封微矩形:执行标准”GJB 2446A-2011《外壳定位超小型矩形电连接器总规范》
Q-KF-020-2023《HSJ(M)系列玻璃密封微矩形电连接器》
HSJ(M)系列玻璃密封微矩形:型号命名规则 订货标志
Section titled “HSJ(M)系列玻璃密封微矩形:型号命名规则 订货标志”| HSJ | ** | M- | ** | ** | ** | ** | -* |
|---|---|---|---|---|---|---|---|
| ① | ② | ③ | ④ | ⑤ | ⑥ | ⑦ | ⑧ |
① 主称代号:HSJ系列
② 排列方式:单排无标识,2-双排
③ 绝缘体:(M)-玻璃
④ 接触件数目:20、40、72
⑤ 电连接器类别:ZK-插座装插孔;TJ-插头装插针
⑥ 尾端形式:S-尾端键合式;N-直插式;H-焊接式;Y-侧面键合式;无标识-压接式
⑦ 锁紧及安装标识:无标识-无锁紧
⑧ 改型标识
HSJ(M)系列玻璃密封微矩形:主要性能指标
Section titled “HSJ(M)系列玻璃密封微矩形:主要性能指标”注:*性能满足我司企业标准 Q-KF-020-2023《HSJ(M)系列玻璃密封微矩形电连接器》
| 项目 | 指标 | 项目 | 指标 | 材料及表面涂覆 | ||
| *绝缘电阻 | ≥5000MΩ(500VDC) | 工作温度范围 | -55℃~+125℃ | 材料 | 表面涂覆 | |
| *介质耐电压 | 300V r.m.s | *接触电阻 | ≤20mΩ | 外壳 | 可伐合金 | 镀镍镀金 |
| *气密性 | ≤1*10-3Pa. cm3/s(He) | 振动 | 频率10~2000Hz加速度196m/s2 | 接触件 | 可伐合金 | |
| 额定电流 | 3A | 冲击 | 490m/s2, 11ms,后峰锯齿波,2.68m/s | 绝缘介质 | 玻璃 | / |
| 盐雾 | ≥48小时(根据客户要求可达到96小时) | 机械寿命 | 500次 | |||
HSJ(M)系列玻璃密封微矩形:外形和尺寸
Section titled “HSJ(M)系列玻璃密封微矩形:外形和尺寸”
| 产品型号 | n | A | B | C | D | E |
|---|---|---|---|---|---|---|
| HSJ (M) -20ZKP | 20 | 60 | 50 | 32 | 28.31 | 22.43 |
| HSJ (M) -40ZKP | 40 | 78 | 69 | 50 | 47.36 | 41.48 |
![]() |
| 产品型号 | n | A | B | C | D | E |
|---|---|---|---|---|---|---|
| HSJ2 (M) -40ZKP | 40 | 78 | 69 | 34.76 | 29.31 | 22.46 |
| HSJ2 (M) -72ZKP | 70 | 93.24 | 84.24 | 50 | 44.55 | 37.7 |




















