Skip to content

CPC插拔自锁金属N系列

  • 防护等级:IP68
  • 工作溫度:-55°C~200°C
  • 插拔寿命:3000次
  • 结构特点:防倒转棘齿结构
  • 快速对接:1/2圈即可锁紧
  • 结构设计:结构紧凑,节约空间
  • 环境适应性:抗油污、抗剧烈振动和冲击
  • 屏蔽性能:360°屏蔽,提供全方位EMC防护
  • 标识与配置:不同颜色标识/定位销可选,针芯凹陷(良好保护),公针母针可反向配置
  • 锁紧特性:需要1.5倍的扭力才能反向扭开螺纹

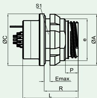
插头/插座类型和外形尺寸:直插头

Section titled “插头/插座类型和外形尺寸:直插头”

T10NOX-P07MCC0-0000

T1 IP50

注: 单位:mm

尺寸ABCPXL
0135.212.7417.535
115914.2414.530
217.61017.13.914.532

ZK IP50

面板开孔图

注: 单位:mm

尺寸AeCPERL面板开孔尺寸A面板开孔尺寸B
017M13x0.75175.25141913.111.6
118M14x1185.35142114.112.6
221M17x1215.251422.517.115.6

ZKONNX-P05LCC0-000L

编号FX
外壳材料铝合金铝合金
表面处理缎镍黑镍

ZKONNX-P05LCC0-000L

PEEK材料

编号端接方式PEEK
P焊线接
PPCB板接

电气参数和针脚排布:0号尺寸 (第1部分)

Section titled “电气参数和针脚排布:0号尺寸 (第1部分)”

ZKONNX-P05LCC0-0000

芯数插针直径mm单芯负载电流(A)测试电压(V)焊接面示意图(针)焊接面示意图(孔)
050.77750

电气参数和针脚排布:2号尺寸 (第Ⅰ部分)

Section titled “电气参数和针脚排布:2号尺寸 (第Ⅰ部分)”

ZKONNX-P05LCC0-000L

芯数插针直径mm单芯负载电流(A)测试电压(V)焊接面示意图(针)焊接面示意图(孔)
21.6151000
31.6151000
41.39875
2+22.3/0.920/6.3875
51.39875

注:PCB接开孔图详见规格书

电气参数和针脚排布:2号尺寸 (第Ⅱ部分)

Section titled “电气参数和针脚排布:2号尺寸 (第Ⅱ部分)”

ZKONNX-P05LCC0-000L

芯数插针直径mm单芯负载电流(A)测试电压(V)焊接面示意图(针)焊接面示意图(孔)
60.96.3875
70.96.3875
80.96.3875
1+81.3/0.99/6.3875
110.96.3875

注:PCB接开孔图详见规格书

电气参数和针脚排布:2号尺寸 (第Ⅲ部分)

Section titled “电气参数和针脚排布:2号尺寸 (第Ⅲ部分)”

ZKONNX-P05LCC0-000L

75Ω同轴

芯数插针直径mm阻抗(Ω)工作电压(KV)接线方式(焊线接)接线方式(PCB板接)焊接面示意图(针)焊接面示意图(孔)
10.475/··

50Ω,10+2同轴

芯数插针直径mm阻抗(Ω)工作电压(KV)接线方式(焊线接)接线方式(PCB板接)焊接面示意图(针)焊接面示意图(孔)
20.450/··

75Ω,8+2同轴

芯数插针直径mm阻抗(Ω)工作电压(KV)接线方式(焊线接)接线方式(PCB板接)焊接面示意图(针)焊接面示意图(孔)
20.475/··

ZKONNX-P05LCC0-000L

焊接插针编号焊接插孔编号材料插针/插孔直径编号插针/插孔直径端接截面积编号端接截面积AWG端接截面积mm2
ML铜合金镀金B0.4C0300.05
ML铜合金镀金C0.5C0280.08
ML铜合金镀金F0.7G0220.38
ML铜合金镀金J0.9G0220.38
ML铜合金镀金M混装M0--

ZKONNX-P05LCC0-000L

压接插针编号压接插孔编号材料插针/插孔直径编号插针/插孔直径端接截面积编号端接截面积AWG端接截面积mm2
CL铜合金镀金B0.4C0300.05
CL铜合金镀金C0.5C0280.08
CL铜合金镀金F0.7G0220.38
CL铜合金镀金J0.9G0220.38
CL铜合金镀金M混装M0--

ZKONNX-P05LCC0-000I

定位角度颜色标识
N30°蓝色
P60°黄色
U100°绿色
S50°红色
T90°橙色

毕科拥有从研发设计、模具加工、焊接、注塑、组装等全套工艺,可根据客户的要求提供各种组件的加工服务,毕科对加工的组件实行100%的检测,确保出厂的组件可以直接使用。我们提供连接器的选型、定制、项目计划、设计开发、制作用于测试的样品,组件的整套解决方案。

  • 裁线: 采用裁线机裁线,通过机械将线材按需分段,精度可达±1mm。
  • 剥线: 采用剥线机去除线材绝缘层,剥线深度长度可调节,避免损伤屏蔽层。
  • 焊接注意事项:
    1. 电烙铁的温度应控制在380°C左右(无铅)为宜。
    2. 单芯焊接时间小于1秒。
    3. 焊接好后每芯都应套上热缩管绝缘。
    4. 焊接时应注意保护好插针、绝缘体。
  • 灌胶: 向连接器内部或背面灌封环氧树脂、UV胶或有机硅胶等材料,胶水固化后形成保护层,以提升其防水、防尘、防震性能,同时增强机械强度与电气稳定性。
  • 电测:
    1. 焊接完成、灌胶后、产品注塑后,成品均使用电测机测试,100%导通测试。
    2. 芯线导通电阻、屏蔽导通、绝缘电阻测试。
  • 压接: 压接款连接器,根据线缆外径,连接器尺寸制作相应的压接工装,采用专用的机器压接。
  • 注塑: 常用连接器均配了对应包胶模具。
    1. 用材料:TPU/PVC/TPE/液态硅胶。
    2. 材料颜色:黑色,白色,红色,黄色,军绿色等。
    3. 注塑形态:连接器(直插头、90°弯角、135°弯角)、分线器(一分二、三、四、五)、常用接口(USB、DB9、DC、BNC)。
  • 线缆案例:

    1. 导体:镀锡或镀银绞线等。
    2. 绝缘材料:Foam-PE/FEP/HDPE/PP。
    3. 包带:铝箔或铜箔。
    4. 编织材料:镀锡铜等。
    5. 外被材料:PVC/TPU/TPE/硅橡胶或其它材料。
    6. 燃烧测试:VW-1/FT-1/HB/FT-2。
    7. 工作温度:-40°C~+80°C (PVC为-20°C~+80°C)。
    8. 颜色:白色、黑色等。
    9. 常用线缆:USB2.0、USB3.0、HDMI、CAT-5、CAT-5e、CAT-6、同轴双绞混装线缆、光电混装线缆。
  • 组件案例:

BIX推拉自锁连接器的外壳材料是铜合金(Brass),在镍基上镀铬、镀黑铬,也可以根据要求镀镍。

部件材料表面镀层
外壳铜合金
螺帽铜合金
开槽螺母铜合金亚光铬
电缆夹铜合金-
屏蔽圈铜合金-
半圆屏蔽片铜合金亚光镍
防滑垫片铜合金-
六角螺母铜合金-
厚度调节圈铜合金-
插针(焊接和PCB接)铜合金
插孔(焊接和PCB接)铜合金

AWG: 美国线缆规格;mm: 公制规格。

圆形线缆
AWG直径Inch直径mm截面积 mm2重量 kg/km最大阻抗 Ω/km
10 (1)0.10202.59005.270047.0003.45
10 (37/26)0.10902.75004.530043.6004.13
12 (1)0.08082.05003.310029.5005.45
12 (19/25)0.08952.25003.080028.6006.14
12 (37/28)0.08582.18002.970026.3006.36
14 (1)0.06411.63002.080018.5008.79
14 (19/27)0.06701.70001.940018.0009.94
14 (37/30)0.06731.71001.870017.40010.50
16 (1)0.05081.29001.310011.60013.94
16 (19/26)0.05511.40001.230011.00015.70
18 (1)0.04031.02000.82007.32022.18
18 (19/30)0.04801.22000.96008.84020.40
20 (1)0.03200.81300.52004.61035.10
20 (7/28)0.03660.93000.56005.15034.10
20 (19/32)0.03840.98000.62005.45032.00
22 (1)0.02520.64000.32402.89057.70
22 (7/30)0.02880.73100.35403.24054.80
22 (19/34)0.03070.78000.38203.41051.80
24 (1)0.01970.50000.19601.83091.20
24 (7/32)0.02300.58500.22702.08086.00
24 (19/36)0.02520.64000.24002.16083.30
26 (1)0.15700.40000.12201.140147.00
26 (7/34)0.01890.48000.14001.290140.00
26 (19/38)0.01920.48700.15001.400131.00
28 (1)0.01260.32000.08000.716231.00
28 (7/36)0.01500.38100.08900.813224.00
28 (19/40)0.01510.38500.09500.931207.00
30 (1)0.00980.25000.05060.451374.00
30 (7/38)0.01150.29300.05500.519354.00
30 (19/42)0.01230.31200.07200.622310.00
32 (1)0.00800.20300.03200.289561.00
32 (7/40)0.00940.24000.03500.340597.10
32 (19/44)0.01000.25400.04400.356492.00
34 (1)0.00630.16000.02010.179951.00
34 (7/42)0.00830.21100.02660.1131,491.00
36 (1)0.00500.12700.01270.0721,519.00
36 (7/44)0.00640.16300.01610.1301,322.00
38 (1)0.00400.10000.00780.0722,402.00
40 (1)0.00310.08000.00500.0433,878.60
42 (1)0.00280.07000.00380.0285,964.00
44 (1)0.00210.05400.00230.0188,660.00
  • 美国AWG体系是按照截面积增加26%,规格号递减的规律编制的。线缆直径越大,规格号越小。
  • 绝大多数线缆是多股导线结构,和实心线缆相比多股导线结构的线缆连接更耐久,更牢固,弯曲性能和防振性能更好。
  • 多股导线是由更小直径的线芯组成更大的(规格号大)。相同尺寸的多股导线结构线缆和实心线缆具有相同的规格号,多股导线线缆的截面积等于组成线缆的单股线缆的截面积之和。

参照IEC 60529、GB 700-86、GB 4208。

防护等级代号的含义

特征数字防护等级简短说明特征数字防护等级说明
0-无防护0-无防护
1-能防止直径小于50mm的固体异物1-垂直水滴防护
2-防护12.5mm直径和更大的固体颗粒21515度水滴防护
3-防护2.5mm直径和更大的固体颗粒36060度水滴防护
4-防护1.0mm直径和更大的固体颗粒4-任意角度喷水防护
5-完全防护5-任意角度射水防护
6-绝对防护6-任意角度强射水防护
---7-短期浸水
---8-长期浸水

注:IP69K不在EN60529和IEC60529标准里,而在DIN40509里面有定义。