Skip to content

射频同轴连接器及电缆组件

射频同轴连接器及电缆组件:电缆系列特点

Section titled “射频同轴连接器及电缆组件:电缆系列特点”

射频同轴连接器及电缆组件:电缆特点

系列特点
BIX-A屏蔽性&耐用性&机械幅度、相位
BIX-B低损耗&高速率&低PPM
BIX-C优良的反复弯曲能力&柔软性
BIX-D低损耗半刚电缆&优良的屏蔽性
BIX-E屏蔽性&耐用性&经济
TC寿命高&精密&可靠

射频同轴连接器及电缆组件:同类替代型号对照

Section titled “射频同轴连接器及电缆组件:同类替代型号对照”
BIXTIMESSEMFLEXMCCH+SHABIAHAROURIWGORE
BIX-A460SFT-142HP160sUFA147ASF-102
BIX-A520SFT-205HP190sUFA205ASF-104
BIX-A630SFT-304HP305s
BIX-B150CXN3657
BIX-B220CXN3506
BIX-B360HF090UBF142A1401CXN3507
BIX-B480HF190UBF205A1801CXN3449
BIX-B800HF290LA290UBF311ALLS2902801CXN3450
BIX-E280TFLEX-405MULTIFLEX86MULTIBEND86SS405
BIX-E400TFLEX-402MULTIFLEX141MULTIBEND141SS402
BIX-D047UT-47C-LL
BIX-D086CLL50086UT-085C-LL
BIX-D141CLL50141UT-141C-LL

BIX-A系列:柔性超低损耗稳相电缆组件参数

Section titled “BIX-A系列:柔性超低损耗稳相电缆组件参数”

注:单位:GHz, dB/m@maxF, dB, mm, °C

型号工作频率插损传播速率屏蔽性能电缆直径温度范围
BIX-A46026.51.9576%≥904.50-55~+200
BIX-A52026.51.5576%≥905.20-55~+200
BIX-A63018.01.0276%≥906.35-55~+200
BIX-A76018.00.8376%≥907.60-55~+200
BIX-A93010.00.5176%≥909.30-55~+200
BIX-A120010.00.4576%≥9012.00-55~+200

BIX-B系列:柔性超低损耗稳相电缆组件参数

Section titled “BIX-B系列:柔性超低损耗稳相电缆组件参数”

注:单位:GHz, dB/m@maxF, dB, mm, °C

型号工作频率插损传播速率屏蔽性能电缆直径温度范围
BIX-B150110.013.1580%≥901.50-55~+165
BIX-B22067.05.9581%≥902.20-55~+165
BIX-B36040.02.5682%≥903.60-55~+165
BIX-B40040.02.1882%≥904.00-55~+165
BIX-B48026.51.3183%≥904.80-55~+165
BIX-B80018.00.6783%≥907.80-55~+165

BIX-C系列:超柔低损耗稳相电缆组件参数

Section titled “BIX-C系列:超柔低损耗稳相电缆组件参数”

注:单位:GHz, dB/m@maxF, dB, mm, °C

型号工作频率插损传播速率屏蔽性能电缆直径温度范围
BIX-C360403.8976%≥ 903.60-55~+85
BIX-C50026.52.5276%≥ 905.00-55~+85

BIX-D系列:半刚低损耗电缆组件参数

Section titled “BIX-D系列:半刚低损耗电缆组件参数”

注:单位:GHz, dB/m@maxF, dB, mm, °C

型号工作频率插损传播速率屏蔽性能电缆直径温度范围
BIX-D04767.010.0276%≥ 1201.18-55~+150
BIX-D08640.03.8976%≥ 1202.18-55~+150
BIX-D14126.51.8776%≥ 1203.58-55~+150

产品特点

  • 良好的机械相位稳定性
  • 良好的幅度稳定性
  • 优良的屏蔽性能
  • 良好的弯曲性能
  • 优良的耐用性
  • 良好的机械强度
  • 良好的功率处理能力
BIX-ATimesAstrolabSemflexsMccH+S
BIX-A360SFT-14232022HP160SUFA147ASF-102
BIX-A460SFT-20532055HP190SUFA205ASF-104
BIX-A630SFT-30432051HP305S

注:单位:mm

名称材质BIX-A460BIX-A520BIX-A630BIX-A760BIX-A930BIX-A1200
中心导体镀银铜1.001.301.602.052.453.50
电介质PTFE3.103.854.705.907.259.90
内屏蔽镀银铜带3.304.055.006.057.5010.20
中间层高温铝箔3.454.205.106.207.6010.30
外屏蔽镀银铜丝4.004.805.656.808.2011
外护套FEP4.605.206.357.609.3012.00

注:单位:mm

型号BIX-A460BIX-A520BIX-A630BIX-A760BIX-A930BIX-A1200
静态最小弯曲半径(mm)232632384760
动态最小弯曲半径(mm)4652647693120
重量(g/m)536694130190300
温度范围(℃)-55~+200°C-55~+200°C-55~+200°C-55~+200°C-55~+200°C-55~+200°C
型号BIX-A460BIX-A520BIX-A630BIX-A760BIX-A930BIX-A1200
工作频率(GHz)26.526.518181010
相位稳定性最大值(°)@工作频率±10±10±8±8±5±5
幅度稳定性最大值(dB)@工作频率±0.15±0.10±0.10±0.07±0.05±0.05
阻抗50 Ω50 Ω50 Ω50 Ω50 Ω50 Ω
屏蔽效率(dB@1GHz)>90 dB>90 dB>90 dB>90 dB>90 dB>90 dB
传播速率(VP)76%76%76%76%76%76%

注: 单位:dB/m,+25°C室温

频率(GHz)136101826.5K1K2
BIX-A4600.3540.6200.8881.1601.5831.9491.09948530.0006019
BIX-A5200.2770.4870.6990.9151.2551.5500.85623360.0005906
BIX-A6300.2220.3920.5640.7421.022-0.68274280.0005906
BIX-A7600.1760.3120.4510.5950.826-0.5364170.0005906
BIX-A9300.1470.2620.3820.506--0.4460800.0006000
BIX-A12000.1300.2330.3390.452--0.3916800.0006000

其他频点衰减计算公式:dB = K1 * √FMHz + K2 * FMHz / 100

衰减与频率

注: 单位:平均功率KW,+40°C室温,海平面,驻波1:1

频率(GHz)136101826.5
BIX-A4600.5690.3240.2270.1740.1270.103
BIX-A5200.7500.4260.2970.2270.1600.130
BIX-A6301.0240.5570.4010.3060.222-
BIX-A7601.8921.0660.7360.5580.402-
BIX-A9302.4851.3930.9580.722--
BIX-A12003.3231.8561.2710.955--
功率与频率

温度相位

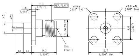
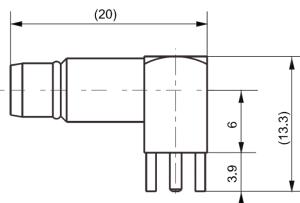
BIX-A系列:命名规则与连接器适配

Section titled “BIX-A系列:命名规则与连接器适配”
  • 电缆组件命名规则: 例 BIX-A460-SMAJ-NJW-1000mm
    • 电缆型号:BIX-A460
    • 左端连接器:SMA公头
    • 右端连接器:N公弯头
    • 组件长度:1000mm

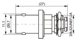
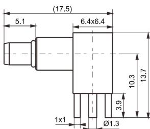
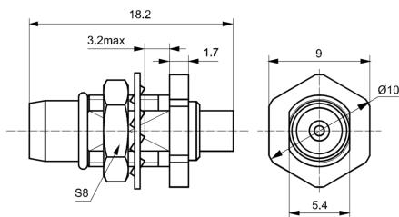
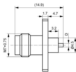
概图类型型号材料镀层频率
N-JWN-JW-A520不锈钢钝化18GHz
7/16-J7/16-J-A1000黄铜三元合金6GHz
SMA-JSMA-J-A460黄铜镀金镀金26.5GHz
3.5-K3.5-K-A460不锈钢钝化26.5GHz
3.5-J3.5-J-A460不锈钢钝化26.5GHz
SMA-KSMA-K-A460黄铜镀金镀金26.5GHz
N-KN-K-A460黄铜镀金镀金11GHz
4.3/10-K4.3/10-K-A460黄铜镀金镀金11GHz
  • 良好的机械相位稳定性
  • 良好的幅度稳定性
  • 优良的屏蔽性能
  • 良好的弯曲性能
  • 优良的耐用性
  • 良好的机械强度
  • 良好的功率处理能力
BIX-BMCCGORETIMESIWHAROURSEMFLEX
BIX-B150-3657----
BIX-B220-3506----
BIX-B360UFB142A3507-1401--
BIX-B480UFB205A3449HF1901801--
BIX-B800UFB311A3450HF2902801LLS290La290

注:单位:mm

型号BIX-B150BIX-B220BIX-B360BIX-B400BIX-B480BIX-B800
中心导体(镀银铜)0.300.500.911.021.402.30
电介质(PTFE)0.881.382.502.853.756.20
内屏蔽(镀银铜带)1.001.542.663.053.956.44
外屏蔽(镀银铜丝)1.181.953.113.404.357.20
外护套(FEP)1.502.203.604.004.807.90
参数项目BIX-B150BIX-B220BIX-B360BIX-B400BIX-B480BIX-B800
静态最小弯曲半径 (mm)7.51118202439.5
动态最小弯曲半径 (mm)152236404879
重量 (g/m)5.416333655130
温度范围 (°C)-55~+160°C-55~+160°C-55~+160°C-55~+160°C-55~+160°C-55~+160°C

注:单位:dB, Ω, %

参数项目BIX-B150BIX-B220BIX-B360BIX-B400BIX-B480BIX-B800
相位稳定性最大值(°) @ 工作频率11067404026.518
幅度稳定性最大值(dB) @工作频率±15±10±8±8±5±4
阻抗(Ω)±0.20±0.15±0.15±0.15±0.10±0.10
屏蔽效率(dB@1GHz)505050505050
传播速率(VP)>90dB>90dB>90dB>90dB>90dB>90dB
传播速率 (VP)82%82%82%82%82%82%

BIX-B系列:插入损耗(衰减dB/m,+25℃室温)

Section titled “BIX-B系列:插入损耗(衰减dB/m,+25℃室温)”

注:单位:dB/m

频率(GHz)136101826.5405067110K1K2
BIX-B1501.1131.9852.8293.6804.9936.1157.6048.56610.02713.1433.5578460.001221
BIX-B2200.6371.1191.6032.0982.8713.5404.4405.0315.941-1.9758320.001221
BIX-B3600.3750.6560.9381.2231.6672.0482.557---1.1684700.000550
BIX-B4000.3350.5830.8281.0721.4471.7642.181---1.0544700.000180
BIX-B4800.2410.4210.6010.7831.0661.308----0.7504000.000328
BIX-B8000.1470.2600.3730.4880.670-----0.4563000.000320

其他频点衰减计算公式:dB = K1 * √FMHz + K2 * FMHz / 100 衰减与频率

注:单位:KW (平均功率KW,+40℃室温,海平面,驻波1:1)

频率(GHz)136101826.5405067
BIX-B1500.0390.0220.0160.0120.0090.0070.0060.0050.004
BIX-B2200.1100.0630.0440.0330.0240.0200.0160.0120.010
BIX-B3600.5090.2910.2030.1560.1150.0930.075--
BIX-B4000.6340.3650.2570.1980.1470.1200.097--
BIX-B4801.0500.6000.4200.3230.2370.193---
BIX-B8002.3031.3090.9120.6960.507----

功率与频率

693 温度相位

  • 命名示例:BIX-B360-292J-292JW-1000mm
  • 规则说明:电缆型号为 BIX-B360,左端连接器为 2.92 公头,右端连接器为 2.92 公头,组件总长度为 1000mm。
图片类型型号材料镀层频率
SMPM-KSMPM-K-B150镀铜镀金40GHz
SMP-KWSMP-KW-B220镀铜镀金18GHz
2.4-J2.4-J-B220不锈钢钝化50GHz
3.5-K3.5-K-B360不锈钢钝化33GHz
1.85-J1.85-J-B220不锈钢钝化67GHz
SMA-KSMA-K-B460不锈钢钝化26.5GHz
2.92-K2.92-KW-B360不锈钢钝化40GHz
N-JWN-JW-B800不锈钢钝化18GHz
1.0-K1.0-K-B150镀铜镀金110GHz
TNC-JWTNC-JW-B800不锈钢钝化11GHz

BIX-C系列:柔性超低损耗稳相电缆组件

Section titled “BIX-C系列:柔性超低损耗稳相电缆组件”
  • 优良的弯曲性能力
  • 优良的幅度稳定性
  • 优良的温度相位稳定性
  • 优良的机械相位稳定性
  • 低损耗

注:**单位:mm

名称材质BIX-C360BIX-C500
中心导体(绞合)镀银铜0.721.02
电介质PTFE2.053.00
内屏蔽镀银铜带2.223.20
外屏蔽镀银铜丝2.663.78
外护套PUR3.605.00

注:**单位:mm

名称BIX-C360BIX-C500
静态最小弯曲半径(mm)1520
动态最小弯曲半径(mm)2940
重量(g/m)2751
温度范围(°C)-40°C ~ +80°C-40°C ~ +80°C

注:单位:GHz, °, dB, Ω, %

名称BIX-C360BIX-C500
工作频率(GHz)4026.5
相位稳定性最大值(°) @工作频率±10±6
幅度稳定性最大值(dB) @工作频率±0.10±0.10
阻抗(Ω)5050
屏蔽效率(dB@1GHz)>90dB>90dB
传播速率(VP)76%76%

注:衰减:dB/m, +25 ℃室温

频率(GHz)136101826.540K1K2
BIX-C360 插入损耗0.5190.9211.3341.7642.4493.0553.8881.5829290.001806
BIX-C500 插入损耗0.3850.6981.0321.3901.9802.521-1.1366000.002530
BIX-C360 传输功率0.1190.0670.0460.0350.0250.0200.016--

其他频点衰减计算公式:dB = K1 * √FMHz + K2 * FMHz / 100

注:平均功率KW,+40℃室温,海平面,驻波1:1

频率 (GHz)136101826.540
BIX-C3600.1190.0670.0460.0350.0250.0200.016
BIX-C5000.1490.0820.0560.0410.0290.023
功率与频率
温度相位

命名示例:BIX-C500-SMAJ-TNCJ-1000mm

  • 电缆型号:BIX-B360
  • 左端连接器:SMA公头
  • 右端连接器:TNC公头
  • 组件长度:1000mm
图片类型型号材料镀层频率
SMPM-KSMPM-K-C360镀铜镀金18GHz
SMP-KWSMP-KW-C360镀铜镀金18GHz
2.92-J2.92-J-C360不锈钢钝化26.5GHz
3.5-K3.5-K-C360不锈钢钝化26.5GHz
2.4-J2.4-J-C360不锈钢钝化26.5GHz
SMA-KSMA-K-C500不锈钢钝化26.5GHz
2.92-K2.92-KW-C360不锈钢钝化40GHz
N-JWN-JW-C500不锈钢钝化18GHz

BIX-D系列:柔性低损耗稳相电缆组件:产品特点

Section titled “BIX-D系列:柔性低损耗稳相电缆组件:产品特点”

  • 超高功率
  • 优良的幅度稳定性
  • 优良的温度相位稳定性
  • 重量轻
  • 低损耗
  • 优良的耐腐蚀性
BIX型号TIMES型号MCC型号
BIX-D047-UT-47C-LL
BIX-D086CLL50086UT-085C-LL
BIX-D141CLL50141UT-141C-LL

注:单位:mm

名称材质BIX-D047BIX-D086BIX-D141
中心导体镀银铜0.300.560.99
电介质PTFE0.921.683.00
外导体无缝紫铜管1.182.183.58

注:单位:mm

参数名BIX-D047BIX-D086BIX-D141
最小弯曲半径4713
重量61943
温度范围-60°C~+150°C-60°C~+150°C-60°C~+150°C

注:单位:GHz,Ω,dB/1Ghz,VP

参数名BIX-D047BIX-D086BIX-D141
工作频率1106726.5
阻抗 Ω50 Ω50 Ω50 Ω
屏蔽效率>120dB>120dB>120dB
传播速率76%76%76%

BIX-D系列:插入损耗(衰减dB/m ,+25℃室温)

Section titled “BIX-D系列:插入损耗(衰减dB/m ,+25℃室温)”
频率(GHz)BIX-D047 (dB/m)BIX-D086 (dB/m)BIX-D141 (dB/m)
11.0990.5830.317
31.9261.0170.564
62.7541.4490.817
103.5951.8841.081
184.9042.5551.503
26.56.0323.1281.877
407.5423.887-
508.525--
6710.028--
k13.4200001.8253280.965845
k20.0017550.0005900.001151

其他频点衰减计算公式: dB = K1 * √FMHz + K2 * FMHz / 100

BIX-D系列:传输功率值(+40℃室温,海平面,驻波1:1)

Section titled “BIX-D系列:传输功率值(+40℃室温,海平面,驻波1:1)”
频率(GHz)BIX-D047 (KW)BIX-D086 (KW)BIX-D141 (KW)
10.0440.2591.121
30.0250.1480.630
60.0180.1040.435
100.0130.0800.329
180.0100.0590.236
26.50.0080.0480.189
400.0060.039-
500.006
600.005
功率与频率
温度相位

命名示例:BIX-D047-185J-185J-1000mm

  • 电缆型号:BIX-D047
  • 左端连接器:1.85公头
  • 右端连接器:1.85公头
  • 组件长度:1000mm
图片类型型号材料镀层频率
SMPM-KSMPM-K-D047镀铜镀金18GHz
SMP-KWSMP-KW-D086镀铜镀金18GHz
2.92-J2.92-J-D086不锈钢钝化40GHz
3.5-K3.5-K-D086不锈钢钝化26.5GHz
2.4-J2.4-J-D047不锈钢钝化50GHz
SMA-KSMA-K-D047不锈钢钝化26.5GHz
2.92-K2.92-KW-D086不锈钢钝化40GHz
N-JWN-JW-D141不锈钢钝化18GHz

BIX-E系列:柔性低损耗稳相电缆组件:产品特点

Section titled “BIX-E系列:柔性低损耗稳相电缆组件:产品特点”

  • 良好的机械相位稳定性
  • 良好的幅度稳定性
  • 优良的屏蔽性能
  • 优良的性价比
  • 标准尺寸
  • 丰富的连接器选择
BIX型号TIMESH+SHABIAHARBOUR
BIX-E280TFLEX-405MULTIFLEX86MULTIBEND86SS405
BIX-E400TFLEX-402MULTIFLEX141MULTIBEND141SS402

注:单位:mm

名称材质BIX-E150BIX-E280BIX-E400
中心导体镀银铜0.290.510.91
电介质PTFE0.951.683.00
内屏蔽镀银铜带1.051.833.20
外屏蔽镀银铜丝1.252.183.55
外护套FEP1.502.654.00
静态最小弯曲半径-7.513.520
动态最小弯曲半径-1526.540
重量-62041
温度范围--55°C~+125°C-55°C~+125°C-55°C~+125°C

注:单位:dB/m(插入损耗)、GHz(频率)、Ω(阻抗)、dB(屏蔽效率)、Vp(传播速率)

参数名称50GHz40GHz26.5GHz
幅度稳定性最大值(dB)@工作频率±0.15±0.15±0.15
阻抗(Ω)505050
屏蔽效率(dB@1GHz)>90dB>90dB>90dB
传播速率(Vp)70%70%70%

BIX-E系列:插入损耗(衰减dB/m,+25℃室温)

Section titled “BIX-E系列:插入损耗(衰减dB/m,+25℃室温)”

注:单位:dB/m(衰减)、GHz(频率)

频率(GHz)136101826.54050K1K2
BIX-E1501.1972.1193.0604.0325.5736.9298.77910.0513.67401610.003579
BIX-E2800.7031.2691.8642.4973.5344.4745.709-2.0979330.003996
BIX-E4000.3810.7111.0741.4762.1612.805--1.0824000.003937

其他频点衰减计算公式

  • 计算公式:dB = K1 * √FMHz + K2 * FMHz / 100

衰减与频率

BIX-E系列:传输功率值(平均功率KW,+40℃室温,海平面,驻波1:1)

Section titled “BIX-E系列:传输功率值(平均功率KW,+40℃室温,海平面,驻波1:1)”

注:单位:KW(平均功率)、GHz(频率)

频率 (GHz)136101826.54050
BIX-E1500.0370.0210.0150.0110.0080.0060.0050.004
BIX-E2800.1000.0560.0380.0280.0200.0160.012-
BIX-E4000.2670.1440.0950.0690.0470.036--

  • 命名示例:BIX-E150-SMPJ-SMPMJ-1000mm
  • 规则说明:电缆型号为BIX-E150,左端连接器为SMP公头,右端连接器为SMPM公头,组件长度为1000mm

图片类型型号材料镀层频率
SMPM-KSMPM-K-E150镀铜镀金18GHz
SMP-KWSMP-KW-E150镀铜镀金18GHz
2.92-J2.92-J-E280不锈钢钝化40GHz
3.5-K3.5-K-E280不锈钢钝化26.5GHz
2.4-J2.4-J-E150不锈钢钝化50GHz
SMA-KSMA-K-E150不锈钢钝化26.5GHz
2.92-K2.92-KW-E280不锈钢钝化40GHz
N-JWN-JW-E400不锈钢钝化18GHz

上海毕科TC系列:测试级稳幅稳相电缆组件:产品特点

Section titled “上海毕科TC系列:测试级稳幅稳相电缆组件:产品特点”
  • 导体反复弯曲寿命长
  • 卓越的机械相位
  • 卓越的机械幅度
  • 铠装系列、抗压抗扭
  • 弯曲力矩小
  • 各个频段种类齐全

应用场景

  • 现场作业测试
  • 天线测试转台
  • 大规模生产测试
  • 自动化测试系统
  • 实验室及研发测试

注:单位:GHz(频率)、dB/m(插入损耗)、dB(屏蔽性能)、vp(传播速率)

参数项目子类别26.5 GHz40 GHz50 GHz67 GHz
工作频率 (GHz)-26.5405067
驻波典型值-1.201.201.251.28
驻波最大值-1.301.301.301.38
阻抗 (Ohms)-50505050
插入损耗 (dB/m)DC-18GHz1.021.431.922.88
插入损耗 (dB/m)DC-26.5GHz1.251.762.353.56
插入损耗 (dB/m)DC-40GHz-2.212.924.48
插入损耗 (dB/m)DC-50GHz--3.295.0
插入损耗 (dB/m)DC-67GHz---6.02
机械相位典型值 (P)DC-18GHz±4±4±4±4
机械相位典型值 (P)DC-26.5GHz±5±5±5±5
机械相位典型值 (P)DC-40GHz-±6±6±6
机械相位典型值 (P)DC-50GHz--±7±7
机械相位典型值 (P)DC-67GHz---±9
机械幅度典型值 (dB)DC-18GHz±0.03±0.03±0.03±0.03
机械幅度典型值 (dB)DC-26.5GHz±0.04±0.04±0.04±0.04
机械幅度典型值 (dB)DC-40GHz-±0.05±0.05±0.05
机械幅度典型值 (dB)DC-50GHz--±0.06±0.06
机械幅度典型值 (dB)DC-67GHz---±0.10
屏蔽性能 (dB)-> 90> 90> 90> 90
传播速率 (vp)-83%83%74%74%

  • 命名示例:TC40-292J-292J-1000mm
  • 规则说明:频率40GHz,无铠甲,左端连接器是2.92公头,右端连接器是2.92公头,组件长度1000mm

图片类型型号材料镀层频率
2.92-K2.92-K-TC40铍铜镀金40GHz
1.85-J1.85-J-TC67铍铜镀金67GHz
2.4-JW2.4-JW-TC50不锈钢钝化50GHz
3.5-K3.5-K-TC26不锈钢钝化26.5GHz
3.5-J3.5-J-TC26不锈钢钝化26.5GHz
2.92-J2.92-J-TC40不锈钢钝化40GHz
1.85-JW1.85-JW-TC67不锈钢钝化40GHz
2.4-J2.4-J-TC50不锈钢钝化50GHz

图片名称特点代号
不锈钢铠甲1.耐压 2.柔软 3.耐磨 4.耐高福抗辐射 5.电磁屏蔽S
透明铠甲1.耐压 2.柔软 3.耐磨 4.防水T
编织铠甲1.防扭 2.耐磨 3.耐高温 4.柔软 5.电磁屏蔽B
PUR铠甲1.防水 2.抗压 3.柔性 4.耐磨损 5.耐腐蚀P
尼龙铠甲1.抗压 2.耐折弯N
  • 校准前的基本参数设置:起始/截止频率、扫描点数、扫描时间、带宽、功率等。
  • 进入校准界面后,选择对应的校准件。根据系统提示将校准件OPEN、SHORT、LOAD旋入所校准的端口。
  • 依次按Measure进行校准,按Finish键完成校准。
  • 校准成功判定:S11/S22均显示1.01且S12/S21均显示0dB,或S11/S22窗口波形没有峰值且S12/S21窗口曲线没有沟。

  • 常温环境下将电缆组件连接到网络分析仪上。
  • 静态情况下按要求设定频率,测试驻波及插损值。
  • 将电缆组件连接到网络分析仪上,并将网分衰减设定清零。
  • 将电缆与网分连接器位置固定。

机械幅度/相位稳定性测试:测试步骤

Section titled “机械幅度/相位稳定性测试:测试步骤”

测试准备与操作

  • 压住连接器:防止抖动时连接器晃动影响测试数据。
  • 手动抖动:手握单圈或多圈电缆上下抖动,抖动幅度约10cm,频率约2次/秒。
  • 记录数据:待衰减及相位曲线稳定后,记录整个频段内相位和衰减的变化幅度的最大值。
  • 重复测试:必要时可重复操作几次,确认电缆性能。

机械幅度/相位稳定性测试:电缆组件测试

Section titled “机械幅度/相位稳定性测试:电缆组件测试”

测试流程

  • 连接设备:将电缆组件(≤3米)连接到网络分析仪上,并将网分衰减及相位设定清零。
  • 绕轴测试:将一端电缆从网分上取下,顺时针绕轴盘(电缆护套直径的20倍)360°一圈,再连接到网分上。
  • 记录数据:待衰减及相位曲线稳定后,记录整个频段内相位和衰减的变化幅度的最大值。

执行标准:射频连接器与电缆组件标准

Section titled “执行标准:射频连接器与电缆组件标准”

注:单位:无

标准代号名称性质
GJB 5246A-2021射频连接器界面标准特种品
GJB 680A-2009射频同轴连接器转接器通用规范特种品
GJB 681A-2002射频同轴连接器通用规范特种品
GJB 5021A-2011高可靠射频同轴连接器通用规范特种品
GJB 976A-2009同轴、带状线或微带传输线用射频同轴连接器通用规范特种品
GB/T11313.1射频连接器第一部分总规范:一般要求和试验方法民品

注:单位:频率(GHz),波长(cm)

频段频率波长
P波段0.23~1130~30
L波段1~230~15
S波段2~415~7.5
C波段4~87.5~3.75
X波段8~12.53.75~2.4
Ku波段12.5~182.4~1.67
K波段18~26.51.67~1.13
Ka波段26.5~401.13~0.75
毫米波40~3000.75~0.1
亚毫米波300~30000.1~0.01

射频同轴连接器:型号与频率特性

Section titled “射频同轴连接器:型号与频率特性”

型号SMP MSM PSBMABM AMCXSMB1.01.852.42.923.5SMANSSMATN C
频率65402818661106750403326.5182711
类型盲插, 通用盲插, 通用盲插, 通用盲插, 通用盲插, 通用盲插, 通用测试, 精密测试, 精密测试, 精密测试, 精密测试, 精密螺纹, 通用螺纹, 通用螺纹, 通用螺纹, 通用

功率容量:计算模型与影响因素

Section titled “功率容量:计算模型与影响因素”

功率承载能力计算公式 $$ P ^ {\prime} = P _ {R E F} ^ {\star} K _ {t} ^ {\star} K _ {v} ^ {\star} K _ {h} $$

  • PREF:参考功率(见图1)
  • Kt:环境温度系数
  • Kv:电压驻波比系数
  • Kh:海拔高度系数

影响因素说明

  • 平均功率随温度升高而降低。
  • 平均功率随驻波变高而降低。
  • 平均功率随海拔高度增大而降低。

注:单位:温度(°C),海拔(m)

温度系数(表1)

工作环境温度(°C)系数(Kt)
251
500.83
850.66
1000.58
1250.43
1500.28
2000.15
驻波比系数(表2)
VSWR系数(Kt)
11
1.150.8738
1.20.8403
1.250.8100
1.350.7825
1.450.7137
1.550.6766
2.00.5625
海拔高度系数(表3)
海拔高度(m)系数(Kt)
01
30480.9
60960.79
91440.68
121920.58
152400.48
182880.38
213360.29

常用计算公式:特性阻抗与截止频率

Section titled “常用计算公式:特性阻抗与截止频率”

1. 特性阻抗

$$ Z _ {0} = \frac {6 0}{\sqrt {\varepsilon_ {r}}} \ln \frac {\mathrm {D}}{\mathrm {d}} $$

  • Z0:特性阻抗,单位Ω
  • D:外导体内径
  • d:内导体外径
  • εr:相对介电常数

2. 截止频率 $$ f _ {c} = \frac {1 9 4 . 7 6 5}{\sqrt {\varepsilon_ {r}} (D + d)} (\mathrm {G H z}) $$

  • 说明:同轴传输线中可能产生非TEM模的频率,上限由TEM模的截止频率决定。

常用计算公式:击穿功率与反射特性

Section titled “常用计算公式:击穿功率与反射特性”

3. 击穿功率 $$ \frac {P}{E _ {m a x} ^ {2}} = \frac {D ^ {2} \sqrt {\varepsilon_ {r}} \ln \frac {\mathrm {D}}{\mathrm {d}}}{1 2 0 (\frac {\mathrm {D}}{\mathrm {d}}) ^ {2}} $$

  • P:击穿功率
  • Emax:最大击穿电压强度

4. 反射特性

  • 反射系数(Γ):在连接器任一截面上的反射波矢量的幅值与入射波矢量的幅值的比值。 $$ \Gamma = \frac {V _ {r}}{V _ {i}} = \frac {Z _ {L} - Z _ {O}}{Z _ {L} + Z _ {O}} $$
  • 电压驻波比(VSWR):在连接器任一截面上最大电压与最小电压的比值。 $$ V S W R = \frac {| V _ {m a x} |}{| V _ {m i n} |} = \frac {1 + | \varGamma |}{1 - | \varGamma |} $$
  • 回波损耗(RL):在传输线上的阻抗不连续面的反射信号的功率与入射功率信号的功率之比,用dB表示。 $$ R L = - 2 0 l o g _ {1 0} \frac {P _ {i}}{P _ {r}} = - 2 0 l o g _ {1 0} \Gamma $$

常用计算公式:驻波、回损、反射对照表

Section titled “常用计算公式:驻波、回损、反射对照表”
VSWR回波损耗(dB)反射系数失配损耗(dB)匹配效率(%)VSWR回波损耗(dB)反射系数失配损耗(dB)匹配效率(%)
1.011450.0060.0001001.29180.1260.06998.42
1.02400.0100.00099.991.33170.1410.08898.00
1.036350.0180.00199.971.38160.1580.11097.49
1.065300.0320.00499.901.43150.1780.14096.84
1.074290.0350.00599.871.50140.2000.17696.02
1.08280.0400.00799.841.58130.2240.22394.99
1.09270.0450.00999.801.67120.2510.28396.69
1.11260.0500.01199.751.78110.2820.35992.06
1.12250.0560.01499.681.92100.3160.45890.00
1.13240.0630.01799.602.1090.3550.58487.41
1.15230.0710.02299.502.3280.3980.74984.15
1.17220.0790.02799.372.6170.4470.96780.05
1.20210.0890.03599.213.0160.5011.25674.88
1.22200.1000.04499.003.5750.5621.65168.38
1.25190.1120.05598.744.4240.6312.20560.19

SMP系列:射频同轴连接器:产品简介

Section titled “SMP系列:射频同轴连接器:产品简介”

SMP系列射频同轴连接器是一种超小型推入式连接器,具有体积微小、工作频率高、快速连接与分离、抗振性强等优点,具有一定的轴向和径向公差补偿能力。按连接机构分为:全擒纵(Full detent)、半擒纵(有限擒纵)(Limited detent)和无擒纵(光孔)(Smoothbore)3种。本系列产品可根据客户要求定制。

广泛应用于相控阵雷达、卫星、电子通讯设备领域。

  • 尺寸小:适合于高密度安装
  • 盲配:适合于系统与系统的互联
  • 频率范围宽:适合于高性能应用
  • 浮动量:有一定的浮动量,可消除印制电路的误差
  • 安装效率:连接与分离快速,缩短装备的安装时间

GJB 681A-2002《射频同轴连接器通用规范》

SMPMJWHD*****
1234567891011
  1. 主称代号:SMP
  2. 密封类型:无标识-非密封型;(M)气密型;(S)水密封型
  3. 中心接触件种类:K-插孔;J-插针
  4. 连接器外形结构:无标识-直式;W-直角弯式
  5. 外导体安装形式:无标识-自由安装;F-法兰安装;Y-螺纹安装;H-直插焊接安装
  6. 端接形式(电缆): 端接电缆连接器:电缆类型; B-半刚或半柔电缆;不标-柔性电缆 端接微带或PCB连接器: D-微带线或PCB
  7. 扩展序号或电缆规格:1、2、3
  8. 外导体材料:无标识-可伐材料;G-不锈钢
  9. 改型标记:A、B、C…
  10. 插针连接器界面形式:F-全擒纵;L-有限擒纵;S-光孔
  11. 客户特别定制的标识

注:单位:见表格内容

参数名称英文名称参数值
频率FrequencyDC - 40GHz
绝缘电阻Insulation resistance≥ 5000 MΩ
耐电压Withstand voltage≥ 500 VRMS, at sea level
接触电阻Contact resistanceCentral contact: ≤ 6.0 mΩ Outer contact: ≤ 3.0 mΩ
电压驻波比VSWR1.15:1, DC - 26.5GHz 1.30:1, 26.5 - 40GHz
射频泄露RF leakage-80dB, DC - 3GHz -65dB, 3 - 26.5GHz
SMP-KF2
SMP-KYD
SMP-JFD
SMP-JFD-1

SSMP系列:射频同轴连接器:产品简介

Section titled “SSMP系列:射频同轴连接器:产品简介”

SSMP系列连接器是依据SMP连接器的原理而开发出来的一种超小型推入式射频同轴连接器,相比SMP它具有更小的体积,更高的频带宽度以及更轻的重量,并在轴向和径向有一定的容差量,因此特别适用于板间连接,尤其适用于模块化密集安装的场所。其中插针连接器有全擒纵(Full detent)和光孔(Smooth bore)两种界面形式。本系列产品可根据客户要求定制。

射频模块间的密排连接。

  • 结构紧凑:尺寸小,节约安装空间,适合于高密度安装
  • 操作便捷:连接操作方便简单
  • 插拔力特性:插头端转接器的一端比另一端具有更高的插拔力,使得模块分离时转接器可以留在插拔力高的一端

GJB 681A-2002《射频同轴连接器通用规范》

SMPM*JW*HD*****
12345678910111213
  1. 主称代号:SSMP
  2. 无标识-非密封型; (M)气密封型; (S) 水密封型
  3. 特性阻抗:50Ω不标;75Ω标75
  4. 接触件种类:K-中心导体为插孔;J-中心导体为插针
  5. 连接器外形结构:无标识-直式;W-直角弯式
  6. 安全丝孔:无标识-无安全丝孔;C-有安全丝孔
  7. 外导体安装形式:无标识-自由安装;F-法兰安装;Y-螺纹安装;H-直插焊接安装;T-表贴焊接安装
  8. 端接形式(电缆):电缆类型;B-半刚或半柔电缆;不标-柔性电缆
  9. 端接形式(微带或PCB):D-微带线或PCB;接软电缆方式:Y-压接;H-焊接
  10. 扩展序号或电缆规格:1、2、3…
  11. 外导体材料:无标识-可伐材料;G-不锈钢
  12. 插针连接器界面形式:F-全擒纵;S-光孔
  13. 客户特别定制:客户特别定制的标识

注:单位:见表格内容

参数名称英文名称参数值
频率FrequencyDC -65GHz
绝缘电阻Insulation resistance≥ 5000 MΩ
耐电压Withstand voltage≥ 325 VRMS, at sea level
接触电阻Contact resistanceCentral contact: ≤ 6.0 mΩ Outer contact: ≤ 2.0 mΩ
电压驻波比VSWR1.10:1 max. DC - 26.5GHz 1.35:1 max. 26.5 - 65GHz
射频泄露RF leakage-80dB, DC - 3GHz -65dB, 3 - 65GHz

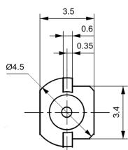
SSMP-KFB2
SSMP-KWB2
SSMP-KK
SSMP-JHD

SMPS系列:射频同轴连接器:产品简介

Section titled “SMPS系列:射频同轴连接器:产品简介”

SMPS系列连接器是依据SSMP连接器的原理而开发出来的一种更小型推入式射频同轴连接器,特别是特种品的发展,要求整机系统体积小、重量轻,频带宽。SMPS因其更小的体积,更高的频带宽度以及更轻的重量,被广泛用于模块化密集安装的场所。其中插针连接器有全擒纵(Full detent)和光孔(Smooth bore)两种界面形式。本系列产品可根据客户要求定制。

广泛应用于通信等领域。

  • 结构紧凑:尺寸小,节约安装空间,适合于高密度安装
  • 操作便捷:连接操作方便简单
  • 插拔力特性:插头端转接器的一端比另一端具有更高的插拔力,使得模块分离时转接器可以留在插拔力高的一端

GJB 681A-2002《射频同轴连接器通用规范》

SMPM*JW*HD*****
12345678910111213
  1. 主称代号:SMPS
  2. 密封类型:无标识-非密封型;(M)气密封型;(S)水密封型
  3. 特性阻抗:50Ω不标;75Ω标75
  4. 接触件种类:K-中心导体为插孔;J-中心导体为插针
  5. 连接器外形结构:无标识-直式;W-直角弯式
  6. 安全丝孔:无标识-无安全丝孔;C-有安全丝孔
  7. 外导体安装形式:无标识-自由安装;F-法兰安装;Y-螺纹安装;H-直插焊接安装;T-表贴焊接安装
  8. 端接形式(电缆):电缆类型;B-半刚或半柔电缆;不标-柔性电缆
  9. 端接形式(微带或PCB):D-微带线或PCB,接软电缆方式:Y-压接;H-焊接
  10. 扩展序号或电缆规格:1、2、3…
  11. 外导体材料:无标识-可伐材料;G-不锈钢
  12. 插针连接器界面形式:F-全擒纵;S-光孔
  13. 客户特别定制:客户特别定制的标识

注:单位:见表格内容

频率FrequencyDC -100GHz
绝缘电阻Insulation resistance≥ 3000 MΩ
耐电压Withstand voltage≥ 250 VRMS, at sea level
接触电阻Contact resistanceCentral contact:≤6.0 mΩ Outer contact:≤2.0 mΩ
电压驻波比VSWR1.1:1, DC - 26.5GHz 1.3:1, 26.5 - 65GHz
射频泄露RF leakage-80dB (typical mated pair)

1.0系列:射频同轴连接器:产品简介

Section titled “1.0系列:射频同轴连接器:产品简介”

上世纪90年代,Hewlett-Packard公司宣布他们研制成1.0mm同轴连接器,最高工作频率达110GHz。1.0mm为同轴螺纹连接器,1mm为其外导体内径尺寸,这是现在毫米波连接器中最小的一种,内径体直径大致为0.43mm(50Ω)。

1.0系列:射频同轴连接器:应用领域

Section titled “1.0系列:射频同轴连接器:应用领域”

广泛应用于现代精密计测领域和各类毫米波通信设备中。

  • 标准符合:符合IEEE-Std-287标准
  • 高频性能:以可靠的安装质量提供卓越的高频性能
  • 频率支持:支持高达110GHz的频率
  • 可重用性:可重用
  • 安装方式:螺钉安装
  • 安装便捷:降低安装复杂性(不需要焊接)

GJB 681A-2002《射频同轴连接器通用规范》

1.0M*JW*HD***
1234567891011
  1. 主称代号:1.0
  2. 密封类型:无标识-非密封型;(M)气密型;(S)水密封型
  3. 特性阻抗:50Ω不标;75Ω标75
  4. 中心接触件种类:K-中心导体为插孔;J-中心导体为插针
  5. 连接器外形结构:无标识-直式;W-直角弯式
  6. 安全丝孔:无标识-无安全丝孔;C-有安全丝孔
  7. 外导体安装形式:无标识-自由安装;F-法兰安装;Y-螺母安装;H-直插焊接式安装;T-表贴焊接安装
  8. 表示端接形式: 端接电缆连接器:电缆类型;B-半刚或半柔电缆;不标-柔性电缆 端接微带或PCB连接器:D-微带线或 PCB
  9. 接软电缆方式:Y-压接;H-焊接
  10. 扩展序号或电缆规格:1、2、3…
  11. 外导体材料:无标识-可伐材料;G-不锈钢
频率FrequencyDC - 110GHz
绝缘电阻Insulationresistance≥ 5 GΩ
耐电压Withstandvoltage≥ 500 VRMS, at sea level
接触电阻ContactresistanceCentral contact: ≤ 4.0 mΩ Outer contact: ≤ 1.0 mΩ
电压驻波比VSWR1.27:1, DC - 50GHz 1.38:1, 50 - 100GHz
射频泄露RF leakage≥ 90 dB @ 1GHz

1.0-KFD
1.0-KFD

注:单位:频率(GHz)、电阻(Ω/mΩ)、电压(VRMS)、泄露(dB)

频率绝缘电阻耐电压接触电阻:中心接触件接触电阻:外接触件电压驻波比射频泄露
DC - 110GHz≥ 5 GΩ≥ 500 VRMS, at sea level≤ 4.0 mΩ≤ 1.0 mΩ1.27:1, DC - 50GHz; 1.38:1, 50 - 100GHz≥ 90 dB @ 1GHz

产品简介 1.85mm连接器由惠普公司(是德科技Agilent的前身)于20世纪80年代中期开发,是2.4mm的缩小版。1.85mm为其外导体内径尺寸,最初设计用于67GHz频率,实际可工作至70GHz。1.85mm连接器选用M7螺纹,可以与2.4mm兼容。采用空气界面,具有体积小,重量轻,使用频率高,连接可靠等优点。本系列产品可根据客户要求定制。

应用 广泛应用于现代精密计测领域和各类毫米波通信设备中。

特点

  • 在67GHz以下使用时,具有优良的电性能,电性能优于2.4接头。
  • 与现存2.4连接器在机械性能上能兼容。
  • 外导体壁厚比2.4接头厚,工作可靠性高。

执行标准 GJB 681A-2002《射频同轴连接器通用规范》

订货标志结构

1.85M*JW*HD***
1234567891011

参数定义

  1. 主称代号:1.85
  2. 密封类型:无标识-非密封型;(M)气密型;(S)水密封型
  3. 特性阻抗:50Ω不标;75Ω标75
  4. 中心接触件种类:K-中心导体为插孔;J-中心导体为插针
  5. 连接器外形结构:无标识-直式;W-直角弯式
  6. 安全丝孔:无标识-无安全丝孔;C-有安全丝孔
  7. 外导体安装形式:无标识-自由安装;F-法兰安装;Y-螺母安装;H-直插焊接式安装;T-表贴焊接安装
  8. 接形式: 端接电缆连接器:电缆类型;B-半刚或半柔电缆;不标-柔性电缆 端接微带或PCB连接器:D-微带线或 PCB
  9. 接软电缆方式:Y-压接;H-焊接
  10. 扩展序号或电缆规格:1、2、3…
  11. 外导体材料:无标识-表示可伐材料;G-不锈钢

注:单位:频率(GHz)、电阻(Ω/mΩ)、电压(VRMS)、泄露(dB)

频率FrequencyDC - 65GHz
绝缘电阻Insulation resistance≥ 5 GΩ
耐电压Withstand voltage≥ 500 VRMS, at sea level
接触电阻Contact resistanceCentral contact: ≤ 4.0 mΩ Outer contact: ≤ 2.5 mΩ
电压驻波比VSWR1.10:1, DC - 18GHz 1.15:1, 18 - 26.5GHz 1.35:1, 26.5 - 65GHz
射频泄露RF leakage≥ 100 dB @ 1GHz
1.85-JJG
1.85-KKG
1.85-K3657G
1.85-KFDG

2.4mm系列:射频同轴连接器:产品简介

Section titled “2.4mm系列:射频同轴连接器:产品简介”

产品简介 2.4mm是螺纹型射频同轴连接器,标准阻抗50Ω,工作频率范围DC-50GHz,最高可扩频至52GHz。2.4mm同轴连接器是HP、Amphenol和M/A-COM三公司联合开发,具有体积小,频率高,重量轻等优点,常用于毫米波仪表级测试。

2.4mm系列:射频同轴连接器:应用

Section titled “2.4mm系列:射频同轴连接器:应用”

广泛应用于现代精密计测领域和各类毫米波通信设备中。

2.4mm系列:射频同轴连接器:特点

Section titled “2.4mm系列:射频同轴连接器:特点”
  • 在50GHz使用时,具有优良的电性能,电性能优于2.92接头。
  • 与现存1.85连接器在机械性能上能兼容。
  • 外导体壁厚比2.92接头厚,工作可靠性高。

执行标准 GJB 681A-2002《射频同轴连接器通用规范》

2.4mm系列:射频同轴连接器:订货标志说明

Section titled “2.4mm系列:射频同轴连接器:订货标志说明”

订货标志结构

2.4M*JW*HD***
1234567891011

参数定义

  1. 主称代号:2.4
  2. 密封类型:无标识-非密封型;(M)气密型;(S)水密封型
  3. 特性阻抗:50Ω不标;75Ω标75
  4. 中心接触件种类:K-中心导体为插孔;J-中心导体为插针
  5. 连接器外形结构:无标识-直式;W-直角弯式
  6. 安全丝孔:无标识-无安全丝孔;C-有安全丝孔
  7. 外导体安装形式:无标识-自由安装;F-法兰安装;Y-螺母安装;H-直插焊接式安装;T-表贴焊接安装
  8. 端接形式: 端接电缆连接器:电缆类型;B-半刚或半柔电缆;不标-柔性电缆端接微带或PCB连接器:D-微带线或 PCB
  9. 接软电缆方式:Y-压接;H-焊接
  10. 扩展序号或电缆规格:1、2、3…
  11. 外导体材料:无标识-表示可伐材料;G-不锈钢

2.4mm系列:射频同轴连接器:图片

Section titled “2.4mm系列:射频同轴连接器:图片”

2.4-KFDG
2.4-KFDG-2
2.4-KB2G
2.4-JJG

2.4mm系列:射频同轴连接器:主要技术参数

Section titled “2.4mm系列:射频同轴连接器:主要技术参数”

注:单位:频率(GHz)、电阻(Ω/mΩ)、电压(VRMS)、泄露(dB)

频率FrequencyDC - 50GHz
绝缘电阻Insulation resistance≥ 1000MΩ
耐电压Withstand voltage≥ 500 VRMS, at sea level
接触电阻Contact resistanceCentral contact: ≤ 4.0 mΩ
Outer contact: ≤ 2.5 mΩ
电压驻波比VSWR1.10:1, DC - 18GHz
1.15:1, 18 - 26.5GHz
1.30:1, 26.5 - 50GHz
射频泄露RF leakage≥ 100dB @ 1GHz

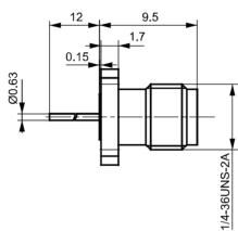
2.92mm系列:射频同轴连接器:产品简介

Section titled “2.92mm系列:射频同轴连接器:产品简介”

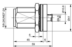
2.92系列产品是在SMA基础上发展起来的精密毫米波连接器,可与SMA系列产品对接互换。其外导体内径为2.92mm、特性阻抗为50Ω、连接机构为1/4-36UNS-2英制螺纹的射频同轴连接器。采用空气界面,具有体积小,重量轻,使用频率高,连接可靠等优点。本系列产品可根据客户要求定制。

2.92mm系列:射频同轴连接器:应用

Section titled “2.92mm系列:射频同轴连接器:应用”

广泛应用于现代精密计测领域和各类毫米波通信设备中。

2.92mm系列:射频同轴连接器:特点

Section titled “2.92mm系列:射频同轴连接器:特点”

-在46GHz以下使用时,具有优良的电性能,能在18GHz以下使用时,电性能则优于SMA接头。
-与现存SMA和APC-3.5连接器在机械性能上能兼容
-外导体壁厚比SMA接头厚,工作可靠性高

2.92mm系列:射频同轴连接器:订货标志说明

Section titled “2.92mm系列:射频同轴连接器:订货标志说明”

订货标志结构

2.92M*JW*HD***
1234567891011
  1. 主称代号:2.92
  2. 无标识-非密封型; (M)气密型; (S)水密封型
  3. 特性阻抗:50Ω不标;75Ω标75
  4. 表示中心接触件种类:K-中心导体为插孔;J-中心导体为插针
  5. 表示连接器外形结构:无标识-直式;W-直角弯式
  6. 安全丝孔:无标识-无安全丝孔;C-有安全丝孔
  7. 表示外导体安装形式:标识-自由安装;F-法兰安装;Y-螺母安装;H-直插焊接式安装;T-表贴焊接安装
  8. 表示端接形式: 端接电缆连接器:电缆类型;B-半刚或半柔电缆;不标-柔性电缆 端接微带或PCB连接器:D-微带线或PCB
  9. 接软电缆:Y-压接;H-焊接
  10. 扩展序号或电缆规格:1、2.、.
  11. 外导体材料:无标识-表示可伐材料;G-不锈钢

2.92mm系列:射频同轴连接器:图片

Section titled “2.92mm系列:射频同轴连接器:图片”

2.92-KFDG-1
2.92-KFDG-2
2.92-J3507G
2.92-JKG

2.92mm系列:射频同轴连接器:主要技术参数

Section titled “2.92mm系列:射频同轴连接器:主要技术参数”
频率FrequencyDC - 40GHz
绝缘电阻Insulation resistance≥ 5000 MΩ
耐电压Withstand voltage≥ 750 VRMS, at sea level
接触电阻Contact resistanceCentral contact: ≤ 3.0 mΩ Outer contact: ≤ 2.0 mΩ
电压驻波比VSWR1.10:1, DC - 26.5GHz 1.25:1, 26.5 - 40GHz
射频泄露RF leakage≤ -100dB @ 1GHz

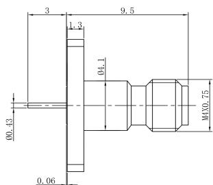
3.5系列射频同轴连接器:产品简介

Section titled “3.5系列射频同轴连接器:产品简介”

3.5系列产品是在SMA基础上发展起来的精密毫米波连接器,可与SMA系列产品对接互换。

  • 外导体内径:3.5 mm
  • 特性阻抗:50 Ω
  • 连接机构:1/4-36UNS-2英制螺纹
  • 结构特点:采用空气界面,具有体积小,重量轻,使用频率高,连接可靠等优点。
  • 定制服务:本系列产品可根据客户要求定制。

3.5系列射频同轴连接器:应用领域

Section titled “3.5系列射频同轴连接器:应用领域”
  • 广泛应用于现代精密计测领域和各类毫米波通信设备中。
  • 频率性能:在26.5 GHz以下使用时,具有优良的电性能;在33 GHz以下使用时,电性能优于SMA接头。
  • 兼容性:与现存SMA和2.92连接器在机械性能上能兼容。
  • 可靠性:外导体壁厚比SMA接头厚,工作可靠性高。

3.5系列射频同轴连接器:执行标准

Section titled “3.5系列射频同轴连接器:执行标准”
  • GJB 681A-2002《射频同轴连接器通用规范》

3.5系列射频同轴连接器:订货标志说明

Section titled “3.5系列射频同轴连接器:订货标志说明”
3.5(M)-*JW*HD**
序号含义说明
主称代号3.5
密封类型无标识-非密封型;(M)气密型;(S)水密封型
特性阻抗50Ω不标;75Ω标75
中心接触件种类K-中心导体为插孔;J-中心导体为插针
连接器外形结构无标识-直式;W-直角弯式
安全丝孔无标识-无安全丝孔;C-有安全丝孔
外导体安装形式无标识-自由安装;F-法兰安装;Y-螺母安装;H-直插焊接式安装;T-表贴焊接安装
端接形式(电缆)电缆类型;B-半刚或半柔电缆;不标-柔性电缆
端接形式(微带/PCB)D-微带线或PCB
软电缆连接方式Y-压接;H-焊接
扩展序号1、2
外导体材料无标识-表示可伐材料;G-不锈钢

3.5-KB3
3.5-JB3
3.5-JK
3.5-JJ

3.5系列射频同轴连接器:主要技术参数

Section titled “3.5系列射频同轴连接器:主要技术参数”

注:单位:除特殊标注外,详见表格

频率FrequencyDC - 33GHz
绝缘电阻Insulation resistance≥ 5000MΩ
耐电压Withstand voltage≥ 1000 VRMS, at sea level
接触电阻Contact resistanceCentral contact: ≤ 3.0 mΩ Outer contact: ≤ 2.0 mΩ
电压驻波比VSWR1.15:1, DC - 26.5GHz
射频泄露RF leakage100dB @ 1GHz

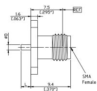
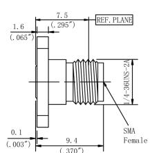
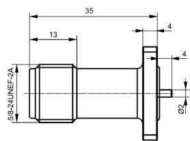
SMA系列射频同轴连接器:产品简介

Section titled “SMA系列射频同轴连接器:产品简介”

SMA射频同轴连接器具有体积小、频带宽、机械电气性能优越、是应用最为广泛的射频电连接器。

  • 外导体内径:4.13 mm
  • 特性阻抗:50 Ω
  • 连接机构:1/4-36UNS-2英制螺纹
  • 定制服务:本系列产品可根据客户要求定制。

SMA系列射频同轴连接器:应用领域

Section titled “SMA系列射频同轴连接器:应用领域”
  • 广泛应用于微波通讯、航天航海、微波测量设备等领域。
  • 体积小、接触可靠
  • 机械性能优越
  • 对接方便

SMA系列射频同轴连接器:执行标准

Section titled “SMA系列射频同轴连接器:执行标准”
  • GJB 681A-2002《射频同轴连接器通用规范》

SMA系列射频同轴连接器:订货标志说明

Section titled “SMA系列射频同轴连接器:订货标志说明”
SMAMJWDW***
序号含义说明
主称代号SMA
密封类型无标识-非密封型;(M)气密型;(S)水密封型
中心接触件种类K-插孔;J-插针
连接器外形结构无标识-直式;W-直角弯式
外导体安装形式无标识-自由安装;F-法兰安装;Y-穿墙安装;H-直插焊接安装;T-表贴焊接安装
端接形式(电缆)电缆类型;B-半刚或半柔电缆;不标-柔性电缆
端接形式(微带/PCB)D-微带线或PCB
扩展序号1、2、3
外导体材料无标识-表示可伐材料;G-不锈钢
改型标记A、B、C…

SMA系列射频同轴连接器:主要技术参数

Section titled “SMA系列射频同轴连接器:主要技术参数”

注:单位:除特殊标注外,详见表格

频率FrequencyDC - 27GHz
绝缘电阻Insulation resistance≥ 5000 MΩ
耐电压Withstand voltage≥ 750 VRMS, at sea level
接触电阻Contact resistanceCentral contact: ≤ 3.0 mΩ Outer contact: ≤ 2.5 mΩ
电压驻波比VSWR1.10:1, DC - 18GHz 1.15:1, 18 - 27GHz
射频泄露RF leakage≥ 100dB @ 1GHz

SSMA系列射频同轴连接器:产品简介

Section titled “SSMA系列射频同轴连接器:产品简介”

SSMA型连接器是一种小型化的SMA连接器,尺寸大约为SMA的70%。

  • 连接机构:10-36UNF-2螺纹
  • 特点:体积小、频带宽、机械电气性能优越、可靠性高。
  • 定制服务:本系列产品可根据客户要求定制。

SSMA系列射频同轴连接器:应用领域

Section titled “SSMA系列射频同轴连接器:应用领域”
  • 广泛应用于微波通讯、航天航海、微波测量设备等领域。

SSMA系列射频同轴连接器:执行标准

Section titled “SSMA系列射频同轴连接器:执行标准”
  • GJB 681A-2002《射频同轴连接器通用规范》

SSMA系列射频同轴连接器:订货标志说明

Section titled “SSMA系列射频同轴连接器:订货标志说明”
SMAM*JW*HD***
1234567891011
序号含义说明
1主称代号SSMA
2密封类型无标识-非密封型;(M)气密型;(S)水密封型
3特性阻抗50Ω不标;75Ω标75
4中心接触件种类K-中心导体为插孔;J-中心导体为插针
5连接器外形结构无标识-直式;W-直角弯式
6安全丝孔无标识-无安全丝孔;C-有安全丝孔
7外导体安装形式无标识-自由安装;F-法兰安装;Y-螺母安装;H-直插焊接式安装;T-表贴焊接安装
8端接形式(电缆)电缆类型;B-半刚或半柔电缆;不标-柔性电缆
8端接形式(微带/PCB)D-微带线或PCB
9软电缆连接方式Y-压接;H-焊接
10扩展序号1、2
11外导体材料无标识-表示可伐材料;G-不锈钢

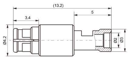
SSMA-KFD-6
SSMA-KFD-10
SSMA-KFB2
SSMA-KWFD5

SSMA系列射频同轴连接器:主要技术参数

Section titled “SSMA系列射频同轴连接器:主要技术参数”

注:单位:除特殊标注外,详见表格

频率FrequencyDC - 35GHz
绝缘电阻Insulation resistance≥ 1 GΩ
耐电压Withstand voltage≥ 750 VRMS, at sea level
接触电阻Contact resistanceCentral contact: ≤ 4.0 mΩ Outer contact: ≤ 2.5 mΩ
电压驻波比VSWR1.10:1, DC - 18GHz 1.15:1, 18 - 26.5GHz 1.25:1, 26.5 - 35GH
射频泄露RF leakage90dB @ 1GHz

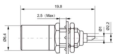
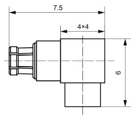
N系列产品按照美军标MIL-C-39012研制生产的一种具有螺纹连接机构的中小功率连接器。该系列产品能与国际上N系列射频同轴连接器相应产品进行互换。本系列产品可根据客户要求定制。

应用

  • 广泛应用于无线电设备和电子仪器中连接射频同轴电缆。

特点

  • 抗振性强
  • 可靠性高
  • 机械和电气性能优
  • 执行标准:GJB 681A-2002《射频同轴连接器通用规范》
序号含义说明
主称代号N系列
密封类型无标识-非密封型;(M)-气密型;(S)-水密封型
中心接触件种类K-中心导体为插孔;J-中心导体为插针
连接器外形结构无标识-直式;W-直角弯式
外导体安装形式无标识-自由安装;F-法兰安装;Y-螺母安装;H-直插焊接式安装;T-表贴焊接安装
端接形式电缆连接器:电缆类型;B-半刚或半柔电缆;不标-柔性电缆;PCB连接器:D-微带线或PCB
扩展序号或电缆规格1、2、3
外导体材料无标识-可伐材料;G-不锈钢
改型标记A、B

N-KFD-18
N-KFD-38
N-KFD-47
N-KYB3

N系列射频同轴连接器:主要技术参数

Section titled “N系列射频同轴连接器:主要技术参数”

注:单位:除特殊标注外,详见表格

参数名称参数值
频率FrequencyDC - 18GHz
绝缘电阻Insulation resistance≥ 5 GΩ
耐电压Withstand voltage≥ 2500 VRMS, at sea level
额定功率Power rating300W at 2GHz
三阶互调Intermodulation IM3-155dBc, 2x20W
接触电阻Contact resistanceCentral contact: ≤ 1.5 mΩ Outer contact: ≤ 1.0 mΩ
电压驻波比VSWR1.15:1, DC - 18GHz
射频泄露RF leakage≤ 90dB @ 1GHz

BMA系列产品是国际上这几年才发展起来的一种盲配的新型射频同轴连接器。可用于各种微波电路的连接,尤其适用于机箱、机柜的盲插合,有利于雷达等整机系统的模块化。BMA系列产品从结构上看是SMA系列的推入式形式,接口界面采用空气界面,使用频率达18GHz。本系列产品可根据客户要求定制。

应用

  • 广泛应用于雷达等整机系统。

特点

  • 体积小、接触可靠
  • 机械性能优越
  • 对接方便
  • 执行标准:GJB 681A-2002《射频同轴连接器通用规范》
NKWFHD***
  • 1. 主称代号:N 系列

  • 2. 密封类型

    • 无标识:非密封型

    • (M):气密封型

    • (S):水密封型

  • 3. 中心接触件种类

    • K:中心导体为插孔

    • J:中心导体为插针

  • 4. 连接器外形结构

    • 无标识:直式

    • W:直角弯式

  • 5. 外导体安装形式

    • 无标识:自由安装

    • F:法兰安装

    • Y:螺母安装

    • H:直插焊接式安装

    • T:表贴焊接安装

  • 6. 端接形式

    • 端接电缆连接器:电缆类型;B - 半刚或半柔电缆;无标识 - 柔性电缆端接微带

    • 或 PCB 连接器:D - 微带线或 PCB

  • 7. 扩展序号或电缆规格:1、2、3

  • 8. 外导体材料

    • 无标识:表示可伐材料

    • G:不锈钢

  • 9. 改型标记:A、B、C…

型号图片设计图
BMA-KFB3
BMA-JYB2
BMA-JHD
BMA-JWHD

注:单位:见表格内容

参数名称英文名称参数值
频率FrequencyDC -18GHz
绝缘电阻Insulation resistance≥ 5 GΩ
耐电压Withstand voltage≥ 750 VRMS, at sea level
接触电阻Contact resistanceCentral contact: ≤ 3.0 mΩ Outer contact: ≤ 2.0 mΩ
电压驻波比VSWR1.25 @ 18GHz
射频泄露RF leakage-85 dB @ 1GHz

SBMA系列产品是小型化的BMA连接器,由带固定以及浮动接触件的盲配连接器组成;可以调整一定量的轴向和径向不对准。直插式连接机构,与螺纹连接机构相比节省了旋转空间,提高了封装密度。SBMA连接器适用于那些要求多路连接器接触的场合,尤其是子系统、系统“盲配”互连。本系列产品可根据客户要求定制。

注:单位:见表格内容

参数名称英文名称参数值
频率FrequencyDC - 28GHz
绝缘电阻Insulation resistance≥ 1000 MΩ
耐电压Withstand voltage≥ 675 VRMS, at sea level
接触电阻:中心接触件Central contact≤ 8.0 mΩ
接触电阻:外接触件Outer contact≤ 4.0 mΩ
电压驻波比VSWR1.35 @ 28GHz
射频泄露RF leakage85 dB @ 1GHz

SBMA系列产品是小型化的BMA连接器,由带固定以及浮动接触件的盲配连接器组成;可以调整一定量的轴向和径向不对准。直插式连接机构,与螺纹连接机构相比节省了旋转空间,提高了封装密度。SBMA连接器适用于那些要求多路连接器接触的场合,尤其是子系统、系统“盲配”互连。本系列产品可根据客户要求定制。

  • 应用:广泛应用于雷达等整机系统。
  • 特点:体积小、可靠性高
  • 特点:维护方便
  • 特点:标准化程度高
  • 执行标准:GJB 681A-2002《射频同轴连接器通用规范》
SBMAMJWHD***
  1. 主称代号:SBMA
  2. 密封类型:无标识-非密封型;(M)-气密型;(S)-水密封型
  3. 中心接触件种类:K-插孔;J-插针
  4. 连接器外形结构:无标识-直式;W-直角弯式
  5. 外导体安装形式:无标识-自由安装;F-法兰安装;Y-螺纹安装;H-直插焊接安装;T-表贴焊接安装
  6. 表示端接形式: 端接电缆连接器:电缆类型;B-半刚或半柔电缆;不标-柔性电缆端接微带或PCB 连接器:D-微带线或PCB
  7. 扩展序号或电缆规格:1、2、3
  8. 外导体材料:无标识-表示可伐材料;G-不锈钢
  9. 改型标记:A、B

注:单位:频率(GHz)、电阻(MΩ/mΩ)、电压(VRMS)、泄露(dB)

参数名称参数名称(英文)参数值
频率FrequencyDC - 28GHz
绝缘电阻Insulation resistance≥ 1000MΩ
耐电压Withstand voltage≥ 675 VRMS, at sea level
接触电阻Contact resistanceCentral contact: ≤ 8.0 mΩ
接触电阻Contact resistanceOuter contact: ≤ 4.0 mΩ
电压驻波比VSWR1.35 @ 28GHz
射频泄露RF leakage85dB @ 1GHz

SBMA-KF3506
SBMA-KFB2G
SBMA-JFDG-1法兰盘尺寸
SBMA-JWHD

SMB连接器由带固定以及浮动接触件的盲配连接器组成;可以调整一定量的轴向和径向不对准。直插式连接机构,与螺纹连接机构相比节省了旋转空间,提高了封装密度。SMB连接器适用于那些要求多路连接器接触的场合,尤其是子系统、系统“盲配”互连。本系列产品可根据客户要求定制。

  • 应用:广泛应用于雷达等整机系统。
  • 特点:体积小、可靠性高
  • 特点:维护方便
  • 特点:标准化程度高
  • 执行标准:GJB 681A-2002《射频同轴连接器通用规范》
SMPMJWHD***
  1. 主称代号:SMB
  2. 密封类型:无标识-非密封型;(M)-气密型;(S)-水密封型
  3. 中心接触件种类:K-插孔;J-插针
  4. 连接器外形结构:无标识-直式;W-直角弯式
  5. 外导体安装形式:无标识-自由安装;F-法兰安装;Y-螺纹安装;H-直插焊接安装;T-表贴焊接安装
  6. 表示端接形式: 端接电缆连接器:电缆类型;B-半刚或半柔电缆;不标-柔性电缆端接微带或PCB 连接器:D-微带线或PCB
  7. 扩展序号或电缆规格:1、2、3
  8. 外导体材料:无标识-表示可伐材料;G-不锈钢
  9. 改型标记:A、B

注:单位:频率(GHz)、电阻(MΩ/mΩ)、电压(VRMS)、泄露(dB)

参数名称参数名称(英文)参数值
频率FrequencyDC - 4GHz
绝缘电阻Insulation resistance≥ 1 GΩ
耐电压Withstand voltage≥ 750 VRMS, at sea level
接触电阻Contact resistanceCentral contact: ≤ 5.0 mΩ
接触电阻Contact resistanceOuter contact: ≤ 2.5 mΩ
电压驻波比VSWR1.20:1, DC - 1GHz; 1.35:1, 1 - 4GHz
射频泄露RF leakage≥ 70dB @ 1GHz

SMB-KHD
SMB-J3Y-1
SMB-KYD
SMB-JWY3Y

SSMB系列产品是小型化的SMB连接器,由带固定以及浮动接触件的盲配连接器组成;可以调整一定量的轴向和径向不对准。直插式连接机构,与螺纹连接机构相比节省了旋转空间,提高了封装密度。SSMB连接器适用于那些要求多路连接器接触的场合,尤其是子系统、系统“盲配”互连。本系列产品可根据客户要求定制。

  • 应用:广泛应用于雷达等整机系统。
  • 特点:体积小、可靠性高
  • 特点:维护方便
  • 特点:标准化程度高
  • 执行标准:GJB 681A-2002《射频同轴连接器通用规范》
SSMBMJWHD***
  1. 主称代号:SSMB
  2. 密封类型:无标识-非密封型;(M)-气密型;(S)-水密封型
  3. 中心接触件种类:K-插孔;J-插针
  4. 连接器外形结构:无标识-直式;W-直角弯式
  5. 外导体安装形式:无标识-自由安装;F-法兰安装;Y-螺纹安装;H-直插焊接安装;T-表贴焊接安装
  6. 表示端接形式: 端接电缆连接器:电缆类型;B-半刚或半柔电缆;不标-柔性电缆端接微带或PCB 连接器:D-微带线或PCB
  7. 扩展序号或电缆规格:1、2、3
  8. 外导体材料:无标识-表示可伐材料;G-不锈钢
  9. 改型标记:A、B

注:单位:频率(GHz)、电阻(MΩ/mΩ)、电压(VRMS)、泄露(dB)

参数名称参数名称(英文)参数值
频率FrequencyDC - 6GHz
绝缘电阻Insulation resistance≥ 1 GΩ
耐电压Withstand voltage≥ 500 VRMS, at sea level
接触电阻Contact resistanceCentral contact: ≤ 5.0 mΩ
接触电阻Contact resistanceOuter contact: ≤ 2.5 mΩ
电压驻波比VSWR1.20:1, DC - 1GHz; 1.35:1, 1 - 3GHz
射频泄露RF leakage≥ 70dB @ 1GHz

SSMB-KWHD
SSMB-JHD
SSMB-KW2Y-1
SMA/SSMB-KK

BNC系列产品按照美军标MIL-C-39012/16-24研制生产的一种卡口式射频同轴连接器,可与国际同系列产品互换。本系列产品可根据客户要求定制。

  • 应用:广泛应用于无线电设备和电子仪器中连接射频同轴电缆。
  • 特点:连接迅速、接触可靠
  • 执行标准:GJB 681A-2002《射频同轴连接器通用规范》
BNCM*JW*HD***
1234567891011
  1. 主称代号:BNC系列
  2. 密封类型:无标识-非密封型;(M)-气密型;(S)-水密封型
  3. 特性阻抗:50Ω(不标/标50);75Ω标75
  4. 中心接触件种类:K-中心导体为插孔;J-中心导体为插针
  5. 连接器外形结构:无标识-直式;W-直角弯式
  6. 安全丝孔:无标识-无安全丝孔;C-有安全丝孔
  7. 外导体安装形式:无标识-自由安装;F-法兰安装;Y-螺母安装;H-直插焊接式安装;T-表贴焊接安装
  8. 接线种类:电缆规格或牌号-软电缆;B-半刚或半柔电缆;D-微带线或PCB
  9. 接软电缆方式:Y-压接;H-焊接
  10. 扩展序号或电缆规格:1、2…
  11. 外导体材料:无标识-表示可伐材料;G-不锈钢

注:单位:频率(GHz)、电阻(MΩ/mΩ)、电压(VRMS)、泄露(dB)

参数名称参数名称(英文)参数值
频率FrequencyDC - 4GHz
绝缘电阻Insulation resistance≥ 5 GΩ
耐电压Withstand voltage≥ 1500VRMS, at sea level
接触电阻Contact resistanceCentral contact: ≤ 1.5 mΩ
接触电阻Contact resistanceOuter contact: ≤ 1.0 mΩ
电压驻波比VSWR1.30:1, DC - 4GHz
射频泄露RF leakage≥ 55dB @ 3GHz

BNC-KY-1
BNC-75KY
BNC-KY3-2
BNC-JW5AY

MULTI-PIN/MIL-DTL-38999:主要技术参数

Section titled “MULTI-PIN/MIL-DTL-38999:主要技术参数”

注:单位:频率(GHz)、电阻(MΩ/mΩ)、电压(VRMS)、泄露(dB)

参数名称参数名称(英文)参数值
频率FrequencyDC - 18GHz
绝缘电阻Insulation resistance≥ 5000 MΩ
耐电压Withstand voltage≥ 1000 VRMS, at sea level
接触电阻Contact resistanceCentral contact: ≤ 3.0 mΩ
接触电阻Contact resistanceOuter contact: ≤ 2.0 mΩ
电压驻波比VSWR≤ 1.05+0.015f (GHz)
射频泄露RF leakage≤ -100dB