Skip to content

PPC插拔自锁塑料系列

产品简介:

  • PPC-M塑料系列简称M系列
  • 高温(134°C)消毒和 ETO,使用不同的外壳材料满足不同的高温消毒次数
  • 可提供单个病人使用产品系列
  • 可提供满足 MOPP 和 MOOP 的产品系列

主要特性:

  • 插拔自锁
  • 1、2号壳体尺寸,最多芯数可达26芯,1号尺寸有50Ω同轴信号连接器
  • 焊接和PCB接
  • 多个颜色定位可选型
  • 防护等级:IP50/IP64
  • 插座通过正确的组装和灌封技术,它们可以在未配合的情况下达到IP67防护等级
  • 额定电流:2至10 A
  • 插拔寿命:大于2000次

应用:

  • M系列是常见的广泛应用于医疗电子和工业设备的连接器

含义描述插座示例位 (ZAG)插头示例位 (TAG)备注
头座类型ZTZ-插座 / T-插头(详见6-19页)
定位方式AAG、0定位(详见20页)
尺寸系列GG尺寸代码(详见21页)
分隔符--固定符号
外壳颜色111-M,灰色(详见22页)
芯数M GM G示例为03,3芯(详见24-27页)
外壳材料0 30 3A-PC(详见29页)
绝缘体材料PAP-PPS / L-PEEK(详见29页)
针孔类型LPA-插针 / L-插孔(详见30页)
特征颜色LA插座:螺帽颜色 / 插头:箭头有无颜色(31-33页)
分隔符GC固定符号
线缆夹尺寸(无)-仅限插头(详见32页)
线缆直径范围(无)4 2线缆外径适配范围
组件颜色(无)G插头螺帽颜色:G-灰色(详见33页)

例:插头

TAG-1MG03APAC-42G

插头-TA-G定位(0定位)-1M系列

  • 外壳灰色
  • 3芯
  • PC外壳
  • PPS绝缘体
  • 焊接插针
  • 有箭头
  • 线缆夹尺寸
  • 3.1~4.0 mm
  • 灰色螺母

例:插座

ZAG-1MG03PLLG

插座-ZA-G定位(0定位)-1M系列

  • 外壳灰色
  • 3芯
  • PSU外壳
  • PEEK绝缘体
  • 焊接插孔
  • 灰色螺母

插头类型和外形尺寸:直插头(尺寸1)

Section titled “插头类型和外形尺寸:直插头(尺寸1)”


TA IP64,可装硅胶护套螺帽


TF IP64,可装硅胶护套螺帽


TB IP50,可装硅胶护套螺帽

插头类型和外形尺寸:直插头(尺寸1)

Section titled “插头类型和外形尺寸:直插头(尺寸1)”


TK IP50,标准螺帽


TJ IP50/IP64,可抛弃型插头

插头类型和外形尺寸:直插头(尺寸1)

Section titled “插头类型和外形尺寸:直插头(尺寸1)”


TC IP50,标准螺帽


TD IP50,可注塑螺帽


TE IP64,可装硅胶护套螺帽(配ZF插座)

插头类型和外形尺寸:直插头(50欧姆同轴)(尺寸1)

Section titled “插头类型和外形尺寸:直插头(50欧姆同轴)(尺寸1)”


TG IP50,可装硅胶护套螺帽


TS IP64,可装硅胶护套螺帽

插头类型和外形尺寸:弯角插头(尺寸1)

Section titled “插头类型和外形尺寸:弯角插头(尺寸1)”


CB IP50,可装硅胶护套螺帽


CK IP50,标准螺帽


ZA IP50,机箱内固定


面板开孔图


ZB IP64,机箱外固定


面板开孔图


ZC IP50,机箱外固定


面板开孔图


ZD IP50,机箱外固定


面板开孔图


ZL IP50,机箱内固定


面板开孔图


ZE IP50,机箱内固定(配TC、TD插头)


面板开孔图


ZF IP64,机箱内固定(配TE插头)


面板开孔图

插座类型和外形尺寸:浮动插座(尺寸1)

Section titled “插座类型和外形尺寸:浮动插座(尺寸1)”


FK IP50,标准螺帽


FB IP50,可装硅胶护套螺帽


ZD IP50,机箱外固定


面板开孔图

插头类型和外形尺寸 插头(尺寸2)

Section titled “插头类型和外形尺寸 插头(尺寸2)”


TK IP50,标准螺帽


TB IP50,可装硅胶护套螺帽

插头类型和外形尺寸:插头(尺寸2)

Section titled “插头类型和外形尺寸:插头(尺寸2)”


TA IP64,标准螺帽


TF IP64,可装硅胶护套螺帽

TJ IP50,可抛弃型插头

插座类型和外形尺寸:插座(尺寸2)

Section titled “插座类型和外形尺寸:插座(尺寸2)”


ZA IP50,面板安装插座


面板开孔图


ZL IP50,面板安装插座


面板开孔图


ZB IP67,防水螺帽


面板开孔图

插座类型和外形尺寸:插座(尺寸2)

Section titled “插座类型和外形尺寸:插座(尺寸2)”

ZD IP50,金属插座

面板开孔图

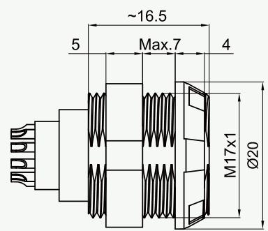
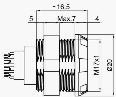
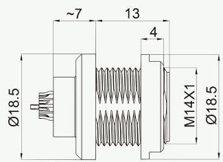
壳体尺寸插座前定位视图
1MA(40°)、B(60°)、C(80°)、G(0°)、H(170°)、J(205°)
2MB(60°)、H(80°)、J(90°)、C(100°)、D(110°)

TAG-1M

注:单位:mm

OD(插头外径)∅14.5∅18
S(尺寸)12
对应编号12

TAG-1MG

编号外壳颜色
W白色
L黑色
G灰色
3镀镍
5镀铬

TAG-1MG03

芯数-编号插针/插孔直径mm单芯负载电流(A)工作电压SAS3441.1998焊接PCB接压接
21.3140.55
31.3140.55
40.9100.5
50.9100.5
60.770.5
70.770.45

TAG-1MG03

芯数/编号插针/插孔直径mm单芯负载电流(A)工作电压(KV)焊接PCB接压接
80.770.45
90.550.45
100.550.4
120.550.4
140.550.4

TAG-1MG16

芯数-编号插针/插孔直径mm阻抗(Ω)测试电压(KV)压接
10.9501.9

芯数编号传输模式插损(三)
1多模/单模IL<0.8 dB(λ=850 nm or 1300 nm)
1+3多模/单模IL<0.8 dB(λ=850 nm or 1300 nm)

芯数-编号插针/插孔直径mm单芯负载电流(A)SAS341.1998工作电压(KV)焊接PCB接压接
120.78.011.6OOO
160.770.50
190.770.40
260.550.40

TAG-1MG16

芯数-编号插针/插孔直径mm单芯负载电流(A)测试电压(kV)焊接PCB接压接
20.711.012.7
50.78.011.6
80.76.510.3

TAG-1MG16

芯数-编号插针/插孔直径mm单芯负载电流(A)method 3001.1 SAES13441.1998 测试电压(kV)焊接PCB接压接
40.780.85
100.771.15

芯数-编号插针/插孔直径mm单芯负载电流(A)测试电压(kV)焊接PCB接压接
100.771.25

TAG-1M03AP

外壳材料
A:PCP:PSU
E:PEIS:PPS
B:ABSC:铜合金
绝缘体材料
L:PEEKP:PPS
0:无绝缘体

TAG-1MGOЗAPA

类型产品编号
焊接插针A
焊接插孔L
PCB接插针D
PCB接插孔N
压接插针C
压接插孔M
冲压焊接插针S
PCB接直角插针W

TAG-1MGOЗAPAC

箭头颜色
C箭头无颜色
W箭头印白色
L箭头印黑色
0无箭头

TAG-1MG03APAC-42

尺寸编号线缆外径mm
1M32
1M42
1M52
1M62
2M52
2M72
2M92


线缆夹示意图

TAG-1MGOЗAPAC-4 G

编号颜色色号
R红色RAL 3020
W白色RAL 9003
Y黄色RAL 1016
V绿色RAL 6024
B蓝色RAL 5002
G灰色RAL 7001
L黑色RAL 9005

硅橡胶护套

序号护套编号规格名适用范围(单位mm)
1801-023-20*-965-0281#护套 2.82.5-3.0
2801-023-20*-965-0331#护套 3.33.1-3.5
3801-023-20*-965-0381#护套 3.83.6-4.0
4801-023-20*-965-0431#护套 4.34.1-4.5
5801-023-20*-965-0481#护套 4.84.6-5.0
6801-023-20*-965-0531#护套 5.35.1-5.5
7801-023-20*-965-0581#护套 5.85.6-6.0
8801-023-20*-965-0641#护套 6.46.1-6.5
9802-023-20*-965-0402#护套 4.04.0-4.4
10802-023-20*-965-0452#护套 4.54.5-5.0
11802-023-20*-965-0502#护套 5.05.1-5.5
12802-023-20*-965-0552#护套 5.55.6-6.0
13802-023-20*-965-0602#护套 6.06.1-6.5
14802-023-20*-965-0652#护套 6.56.6-7.0
15802-023-20*-965-0702#护套 7.07.1-8.0
16802-023-20*-965-0802#护套 8.08.1-9.2

备注:上表中符号 * 代表颜色,下表为对应编号

护套颜色对应编号
护套示意图

编号颜色色号
2红色RAL 3020
3白色RAL 9003
4黄色RAL 1016
5绿色RAL 6024
6蓝色RAL 5002
7灰色RAL 7001
8黑色RAL 9005

毕科拥有从研发设计、模具加工、焊接、注塑、组装等全套工艺,可根据客户的要求提供各种组件的加工服务,毕科对加工的组件实行100%的检测,确保出厂的组件可以直接使用。我们提供连接器的选型、定制、项目计划、设计开发、制作用于测试的样品,总之,组件的整套解决方案,毕科都可完成,达成你所想!

组件加工工艺

图示工艺说明
裁线采用裁线机裁线,通过机械将线材按需分段,精度可达±1 mm
剥线采用剥线机去除线材绝缘层,剥线深度长度可调节,避免损伤屏蔽层
焊接注意事项1、电烙铁的温度应控制在380摄氏度左右(无铅)为宜;2、单芯焊接时间小于1秒;3、焊接好后每芯都应套上热缩管绝缘;4、焊接时应注意保护好插针、绝缘体
灌胶向连接器内部或背面灌封环氧树脂、UV胶或有机硅胶等材料,胶水固化后形成保护层,以提升其防水、防尘、防震性能,同时增强机械强度与电气稳定性
电测焊接完成、灌胶后、产品注塑后,成品均使用电测机测试;1、100%导通测试;2、芯线导通电阻、屏蔽导通、绝缘电阻测试

压接款连接器,根据线缆外径,连接器尺寸制作相应的压接工装,采用专用的机器压接

注塑:常用连接器均配了对应包胶模具

Section titled “注塑:常用连接器均配了对应包胶模具”
  • 适用材料:TPU/PVC/TPE/液态硅胶
  • 材料颜色:黑色,白色,红色,黄色,军绿色等
  • 注塑形态:连接器(直插头、90°弯角、135弯角)、分线器(一分二、三、四、五)

常用接口:USB、DB9、DC、BNC

线缆:

  • 导体:镀锡或镀银绞线等
  • 绝缘材料:Foam-PE/FEP/HDPE/PP
  • 包带:铝箔或铜箔
  • 编织材料:镀锡铜等
  • 外被材料:PVC/TPU/TPE/硅橡胶或其它材料
  • 燃烧测试:VW-1/FT-1/HB/FT-2
  • 工作温度:-40°C~+80°C(PVC -20°C~+80°C)
  • 颜色:白色、黑色等

常用线缆:USB2.0、USB3.0、HDMI、CAT-5、CAT-5e、CAT-6、同轴双绞混装线缆、光电混装线缆

组件案例

在工业生产中,洁净环境对于产品质量和生产效率有着重要影响。洁净车间是一种常见的洁净空间等级,适用于对空气质量要求较高的生产环节。这类车间通过一系列技术手段,将空气中的微粒数量控制在规定范围内,从而满足特定工艺的需求。

洁净车间的核心在于空气净化系统的设计。该系统通常由初效过滤器、中效过滤器和高效过滤器组成,能够有效拦截不同粒径的颗粒物。空气经过多级过滤后,再通过合理的气流组织方式送入车间内部。常见的送风方式包括顶部送风和侧面送风,具体选择取决于车间布局和设备摆放。回风系统同样重要,需要确保空气能够有序流动,避免死角产生。

温湿度控制是另一个关键环节。这类车间通常需要维持稳定的温度和相对湿度,具体参数根据生产工艺而定。空调系统在调节温湿度的还要保证足够的新风量,以满足工作人员的舒适度。有些情况下还需要考虑防静电措施,特别是在电子元器件生产等场景中。

洁净车间适用于连接器装配、线缆组件生产等。

SAE AS 13441-method 3001.1 标准和 MIL-Std,1344-method 3001 标准相一致。

所有的测试都是标准环境下进行(室温条件),同样适用于海拔 2,000 米的环境。

测试条件发生变化时,请根据相关的标准进行修正。

  • 测试电压 = 击穿电压 × 0.75
  • 工作电压 = 击穿电压 × 0.75 × 0.33
芯数降级系数
50.75
100.55
190.45

针孔的最大工作温度120°C

连接器的降级系数是按照 DIN57298 part4/VDE0298 part2 的说明定义,降级系数从5芯开始计算(参见DIN41640 T3)。

防护等级指的是不同医疗设备的防护强度的规范要求。医疗设备操作者为医生,而作用的对象是病人。在 IEC60601-1 第三版中将防护等级分为 MOOP 和 MOPP。

MOOP:Means of Operator Protection,操作者防护

MOPP:Means of Patient Protection,患者防护

外壳材料和表面处理

部件材料表面镀层
外壳PSU、PEI、PC、ABS、铜合金镍、铬
螺帽线夹PSU、PEI、PC、铜合金镍、铬
绝缘体PEEK、PPS、PTFE
六角螺帽铜合金
接插件铜合金

毕科M系列连接器满足下列工艺过程高温蒸汽灭菌要求

  • 标准:EN13060-2015,134°C 5分钟或者121°C 15分钟
  • 外壳材料:PEI,200个循环
  • 外壳材料:PSU,20个循环
  • ETO等其他测试,请联系本公司相关人员


灭菌过程

AWG:美国线缆规格 mm:公制规格

注:圆形线缆

AWG直径Inch直径mm截面积mm2重量kg/km最大阻抗Ω/km
10 (1)0.10202.59005.270047.0003.45
10 (37/26)0.10902.75004.530043.6004.13
12 (1)0.08082.05003.310029.5005.45
12 (19/25)0.08952.25003.080028.6006.14
12 (37/28)0.08582.18002.970026.3006.36
14 (1)0.06411.63002.080018.5008.79
14 (19/27)0.06701.70001.940018.0009.94
14 (37/30)0.06731.71001.870017.40010.50
16 (1)0.05081.29001.310011.60013.94
16 (19/26)0.05511.40001.230011.00015.70
18 (1)0.04031.02000.82007.32022.18
18 (19/30)0.04801.22000.96008.84020.40
20 (1)0.03200.81300.52004.61035.10
20 (7/28)0.03660.93000.56005.15034.10
20 (19/32)0.03840.98000.62005.45032.00
22 (1)0.02520.64000.32402.89057.70
22 (7/30)0.02880.73100.35403.24054.80
22 (19/34)0.03070.78000.38203.41051.80
24 (1)0.01970.50000.19601.83091.20
24 (7/32)0.02300.58500.22702.08086.00
24 (19/36)0.02520.64000.24002.16083.30
26 (1)0.15700.40000.12201.140147.00
26 (7/34)0.01890.48000.14001.290140.00
26 (19/38)0.01920.48700.15001.400131.00
28 (1)0.01260.32000.08000.716231.00
28 (7/36)0.01500.38100.08900.813224.00
28 (19/40)0.01510.38500.09500.931207.00
30 (1)0.00980.25000.05060.451374.00
30 (7/38)0.01150.29300.05500.519354.00
30 (19/42)0.01230.31200.07200.622310.00
32 (1)0.00800.20300.03200.289561.00
32 (7/40)0.00940.24000.03500.340597.10
32 (19/44)0.01000.25400.04400.356492.00
34 (1)0.00630.16000.02010.179951.00
34 (7/42)0.00830.21100.02660.1131,491.00
36 (1)0.00500.12700.01270.0721,519.00
36 (7/44)0.00640.16300.01610.1301,322.00
38 (1)0.00400.10000.00780.0722,402.00
40 (1)0.00310.08000.00500.0433,878.60
42 (1)0.00280.07000.00380.0285,964.00
44 (1)0.00210.05400.00230.0188,660.00

AWG = American Wire Gauge(美国线缆规格)

美国 AWG 体系是按照截面积增加 26%,规格号递减的规律编制的。线缆直径越大,规格号越小,也就是说,线缆的尺寸变大,规格号变小。

绝大多数线缆是多股导线结构,和实心线缆相比,多股导线结构的线缆连接更耐久,更牢固,弯曲性能和防振性能更好。

多股导线是由更小直径的线芯组成更大的(规格号大)。相同尺寸的多股导线结构线缆和实心线缆具有相同的规格号,多股导线线缆的截面积等于组成线缆的单股线缆的截面积之和。

国际防护等级(IP):

参照 DIN EN60 529、IEC 60529、GB4208


防护等级代号的含义

特征数字防护等级简短说明特征数字防护等级说明
0无防护0无防护
1能防止直径小于50 mm的固体异物1垂直水滴防护
2防护12.5 mm直径和更大的固体颗粒215度水滴防护
3防护2.5 mm直径和更大的固体颗粒360度水滴防护
4防护1.0 mm直径和更大的固体颗粒4任意角度喷水防护
5完全防护5任意角度射水防护
6绝对防护6任意角度强射水防护
7短期浸水
8长期浸水

IP69K不在 EN60529 和 IEC60529 标准里,而在 DIN40509 里面有定义